产品类型: 应变式传感器
产品型号: PB(B)
声明: kb88平台传感保存更改产品设计、规格、参数的权力及资料信息的最终 诠释权。。。。。。欲相识更多关于kb88平台产品的信息,,,,,,,请致电kb88平台公司,,,,,,,索取更多详 细的手艺资料。。。。。。
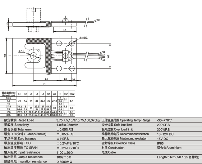
PB装置图
公司地点:中国宁波江北投资创业园C区长兴路199号
产品效劳热线/Product service hotline:400-887-4165
传真(Fax):0574-87562289 87562271