产品类型: 电化学气体传感器模组
产品型号: GM31P
声明: kb88平台传感保存更改产品设计、规格、参数的权力及资料信息的最终 诠释权。。。。。。。。欲相识更多关于kb88平台产品的信息,,,,,,,请致电kb88平台公司,,,,,,,索取更多详 细的手艺资料。。。。。。。。

产品形貌
GM31P型电化学甲醛模组是一个通用型、小型化模组。。。。。。。。使用电化学原理对空气中保存的CH2O举行探测,,,,,,,具有优异的选择性,,,,,,,稳固性。。。。。。。。内置温度传感器,,,,,,,可举行温度赔偿;;;;;;;同时具有数字输出与模拟电压输出方法,,,,,,,利便使用。。。。。。。。GM31P是将成熟的电化学检测手艺与优异的电路设计
细密团结,,,,,,,设计制造出的通用型气体模组。。。。。。。。
模组特点
高迅速度、高区分率、低功耗、使用寿命长提供 UART数据输出方法
高稳固性、优异的抗滋扰能力、卓越的线性输出
主要应用
便携式仪表、空气质量监测装备、空气净化机、新风换气系统、空调、智能家居装备等场合。。。。。。。。
手艺指标
产品型号 | GM31P |
检测气体 | 甲醛 |
滋扰气体 | 酒精,,,,,,,一氧化碳等气体 |
输出数据
| UART 输出(3.3V 电平) |
事情电压 | 3.7V~5.5V |
预热时间 | ≤3 分钟 |
响应时间 | ≤60 秒 |
恢复时间 | ≤60 秒 |
量程 | 0~5.000 mg/m3 |
区分率 | ≤0.010 mg/m3 |
事情温度 | -20℃~50℃ |
事情湿度 | 15%RH-90%RH(无凝聚) |
存储温度 | 0~25℃ |
使用寿命 | 2 年(空气中 0℃~35℃) |
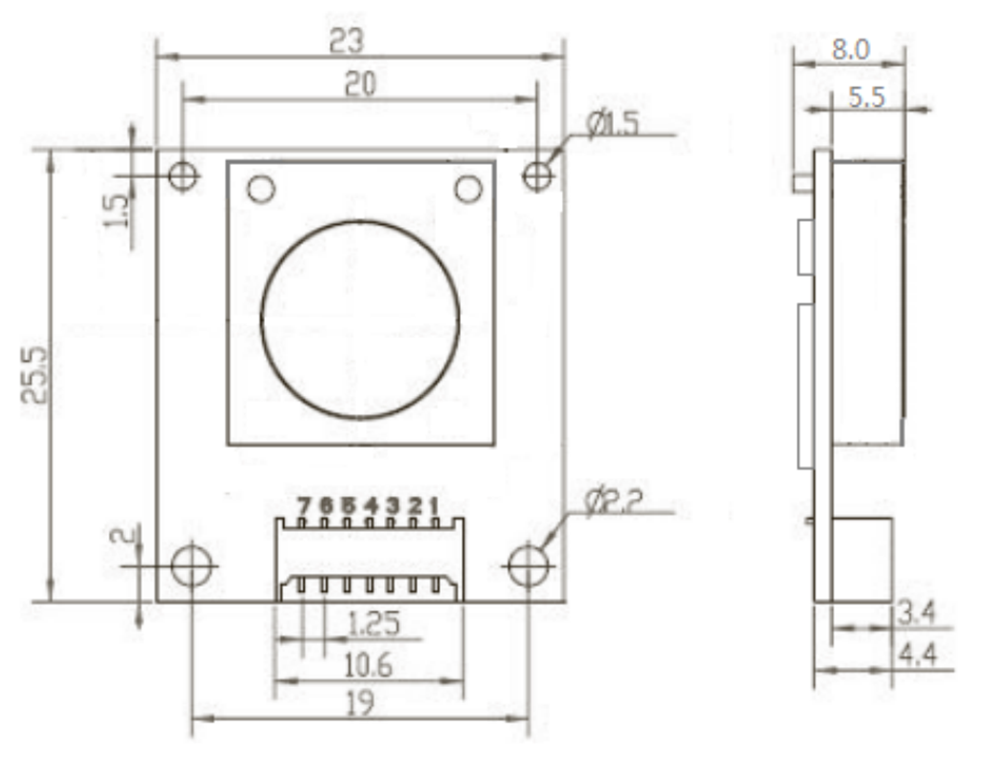
模组尺寸 | 长23mm×宽25.5mm×高6.5mm |
模组尺寸

管脚界说
管脚名称 | 管脚说明 |
Pin1 | NC |
Pin2 | NC |
Pin3 | GND |
Pin4 | Vin(电压输入 3.7V~5.5V) |
Pin5 | UART(RXD) 0~3.3V 数据输入 |
Pin6 | UART(TXD) 0~3.3V 数据输出 |
Pin7 | NC |
通讯协议
1 通用设置
波特率 | 9600 |
数据位 | 8 位 |
阻止位 | 1 位 |
校验位 | 无 |
2 通讯下令
通讯分为自动上传式和问答式,,,,,,,出厂默认自动上传,每距离1S发送一次浓度值。。。。。。。。
若是用户切换到问答模式下,,,,,,,需要重新切换为自动上传时,,,,,,,发送如下下令行名堂即可:
Byte0 | Byte1 | Byte2 | Byte3 | Byte4 | Byte5 | Byte6 | Byte7 | Byte8 |
起始位 | 保存 | 切换下令 | 自动上传 | 保存 | 保存 | 保存 | 保存 | 校验值 |
0xFF | 0x01 | 0x78 | 0x40 | 0x00 | 0x00 | 0x00 | 0x00 | 0x47 |
自动上传的数据显示名堂如下:
Byte0 | Byte1 | Byte2 | Byte3 | Byte4 | Byte5 | Byte6 | Byte7 | Byte8 |
起始位 | 气体名称 (CH2O) | 单位 (ppb) | 小数位数 无 | 气体浓度 高位 | 气体浓度 低位 | 满量程 高位 | 满量程 低位 | 校验值 |
0xFF | 0x17 | 0x04 | 0x00 | 0x00 | 0x25 | 0x13 | 0x88 | 0x25 |
注释: 气 体 浓 度 值 (PPB)=( 气 体 浓 度 高 位 *256+ 气 体 浓 度 低 位 ). 当转换为 PPM 时: PPM= PPB/1000.
1PPM×1.25 = 1.25mg/m3.
当用户需要问答模式时,,,,,,,可通过发送如下下令名堂来关闭自动上传的数据,,,,,,,再发送读取浓度的下令即可。。。。。。。。关闭自动上传的下令行名堂如下:
Byte0 | Byte1 | Byte2 | Byte3 | Byte4 | Byte5 | Byte6 | Byte7 | Byte8 |
起始位 | 保存 | 切换下令 | 问答 | 保存 | 保存 | 保存 | 保存 | 校验值 |
0xFF | 0x01 | 0x78 | 0x41 | 0x00 | 0x00 | 0x00 | 0x00 | 0x46 |
问答模式下,,,,,,,读取浓度的下令名堂如下:
表 7
Byte0 | Byte1 | Byte2 | Byte3 | Byte4 | Byte5 | Byte6 | Byte7 | Byte8 |
起始位 | 保存 | 下令 | 保存 | 保存 | 保存 | 保存 | 保存 | 校验值 |
0xFF | 0x01 | 0x86 | 0x00 | 0x00 | 0x00 | 0x00 | 0x00 | 0x79 |
返回的传感器浓度值显示名堂如下:
表 8
Byte0 | Byte1 | Byte2 | Byte3 | Byte4 | Byte5 | Byte6 | Byte7 | Byte8 |
起始位 | 下令 | 气体浓度高位 (ug/m3) | 气体浓度低位 (ug/m3) | 保存 | 保存 | 气体浓度 高位(ppb) | 气体浓度 低位(ppb) | 校验值 |
0xFF | 0x86 | 0x00 | 0x2A | 0x00 | 0x00 | 0x00 | 0x20 | 0x30 |
气体浓度值=气体浓度高位*256+气体浓度低位
3 校验和盘算
校验和 = (取反(Byte1+Byte2+……+Byte7))+ 1
参考例程如下:
/**********************************************************************
* 函数名: unsigned char FucCheckSum(uchar *i,ucharln)
* 功效形貌:求和校验(取发送、吸收协议的1\2\3\4\5\6\7的和取反+1)
* 函数说明:将数组的元素1-倒数第二个元素相加后取反+1(元素个数必需大于2)
**********************************************************************/
unsigned char FucCheckSum(unsigned char *i,unsigned char ln)
{
unsigned char j,tempq=0; i+=1;
for(j=0;j<(ln-2);j++)
{
tempq+=*i; i++;
}
tempq=(~tempq)+1; return(tempq);
}
交织滋扰特征
本传感器模组能对除目的气体外的其它部分气体爆发响应。。。。。。。。现将该传感器对几种常见滋扰气体的响
应特征列于下表,,,,,,,以供参考。。。。。。。。表中数据为气体在给定浓度下的典范响应。。。。。。。。
表 2: 交织滋扰特征
气体 | 浓度/PPM | HCHO等同浓度/PPM |
甲醛 | 5 | 5 |
苯 | 10 | 0.1 |
甲苯 | 10 | 0.46 |
乙酸 | 200 | 0.52 |
酒精 | 100 | 40.6 |
硫化氢 | 50 | 3 |
一氧化碳 | 200 | 0.64 |
注重事项
n 装置2.54mm接插针焊接时应快速完成上锡焊接,,,,,,,阻止烙铁长时间高温对传感器结结构成破损;;;;;;;
n 使用前老化时间不少于 48小时;;;;;;;
n 电解液走漏会造成损害,,,,,,,请勿随意拆解传感器;;;;;;;
n 传感器阻止接触有机溶剂(包括硅橡胶及其它胶粘剂)、涂料、药剂、油类及高浓度气体;;;;;;;
n 所有电化学传感器不可用树脂质料完全封装,,,,,,,也不可浸没在无氧情形中,,,,,,,不然会损坏传感
器的性能;;;;;;;
n 所有电化学传感器不可长时间应用于含有侵蚀性气体的情形中,,,,,,,侵蚀性气体会损害传感器;;;;;;;
n 气体零点测准时,,,,,,,须在清洁的大气中举行;;;;;;;
n 传感器测试和应用时,,,,,,,须阻止正面笔直进气;;;;;;;
n 传感器的进气面不得壅闭、不得污染;;;;;;;
n 传感器上方防水透气膜严禁揭开、人为损坏;;;;;;;
n 传感器不可太过的撞击或震惊;;;;;;;
n 外壳有破损、变形等情形下请不要使用;;;;;;;
n 高浓度的气体情形中长时间使用后,,,,,,,传感器恢复到初期状态较缓慢;;;;;;;
n 传感器贮存时势情电极与对电极应处于短路状态;;;;;;;
n 榨取用热熔胶或者固化温度高于 80℃以上的密封胶封装传感器;;;;;;;
n 榨取长时间在高浓度碱性气体中存放和使用。。。。。。。。