²úÆ·ÀàÐÍ£º °ëµ¼Ì寸Ìå´«¸ÐÆ÷Ä£×é
²úÆ·Ðͺţº MGK-14D
ÉùÃ÷£º kb88ƽ̨´«¸Ð±£´æ¸ü¸Ä²úÆ·Éè¼Æ¡¢¹æ¸ñ¡¢²ÎÊýµÄȨÁ¦¼°×ÊÁÏÐÅÏ¢µÄ×îÖÕ Ú¹ÊÍȨ¡£¡£¡£¡£¡£ÓûÏàʶ¸ü¶à¹ØÓÚkb88ƽ̨²úÆ·µÄÐÅÏ¢£¬£¬£¬£¬£¬£¬ÇëÖµçkb88ƽ̨¹«Ë¾£¬£¬£¬£¬£¬£¬Ë÷È¡¸ü¶àÏê ϸµÄÊÖÒÕ×ÊÁÏ¡£¡£¡£¡£¡£

²úÆ·¸ÅÊö£º
MGK-14DÐÍ¿ÕÆøÖÊÁ¿Ä£×é½ÓÄÉÏȽøµÄƬʽºñĤ°ëµ¼Ì寸ÃôÔª¼þ£¬£¬£¬£¬£¬£¬¸ÃÆøÃôÔª¼þ¶Ô¼×È©¡¢±½¡¢Ò»Ñõ»¯Ì¼¡¢°±Æø¡¢ÇâÆø¡¢¾Æ¾«¡¢ÏãÑÌÑÌÎí¡¢Ï㾫µÈÓлú»Ó·¢ÆøÌå¾ßÓм«¸ßµÄѸËÙ¶È£¬£¬£¬£¬£¬£¬Ä£×é¾ÓÉÀÏ»¯¡¢µ÷ÊÔ¡¢±ê¶¨¡¢Ð£×¼£¬£¬£¬£¬£¬£¬¾ßÓÐÓÅÒìµÄÒ»ÖÂÐÔÒÔ¼°¼«¸ßµÄѸËÙ¶È¡£¡£¡£¡£¡£
¼ì²âÆøÌåÖÖÀࣺ¼×È©¡¢±½¡¢Ò»Ñõ»¯Ì¼¡¢¼×Íé¡¢ÇâÆø¡¢ÏãÑÌ¡¢Ä¾ÁÏ¡¢Ö½ÕÅ¡¢¾Æ¡¢Áò»¯Çâ¡¢È¼Æø¡¢¼×Íé¡¢±ûÍéµÈ¿É»Ó·¢ÐÔÆøÌå
ÌØµã£º
? ¿ìËÙÏìÓ¦
? Êý×ÖÐźÅÊä³ö¡¢Ó¦ÓüòÆÓ
? ³¤ÊÙÃü£¨~ 5 Ä꣩
? ºã¾ÃÎȹÌÐÔ
? ¿Éƾ֤ҪÇóµ÷½âÄ£¿£¿£¿£¿£¿£¿£¿£¿éѸËÙ¶È
Ö÷ÒªÓ¦Óãº
? ÃñÓᢹ¤Òµ¼°»·±£Öм×È©µÄ¼ì²â
? ÎïÁªÍø¡¢¿ÉÒÂ×Å×°±¸
? ÖÇÄܼҾÓ
ÊÖÒÕÖ¸±ê£º
ÐͺŠ| MGK-14D¿ÕÆøÖÊÁ¿Ä£×é |
´«¸ÐÆ÷½Ó¿Ú | XH2.54-4²å×ù |
¼ì²âÆøÌå | ¼×È©¡¢±½¡¢Ò»Ñõ»¯Ì¼¡¢¼×Íé¡¢ÇâÆø¡¢ÏãÑÌ¡¢Ä¾ÁÏ¡¢Ö½ÕÅ¡¢¾ÆµÈ¿É»Ó·¢ÐÔÆøÌå |
Êä³öÊý¾Ý | 4Æ·¼¶TTLµçƽ |
Êä³öµçѹ |
5.0¡À0.2V DC£¨ÎÞµçѹ·´½Ó±£»£»£»£»£»£»£»¤£©
|
ÊÂÇéµçÁ÷ | ¡Ü60mA |
ÏìӦʱ¼ä | ¡Ü15s |
Ô¤ÈÈʱ¼ä | ¡Ü120S |
»Ø¸´Ê±¼ä | ¡Ü60S |
ÊÂÇéÎÂ¶È | -10¡ã-70¡ã |
ÊÂÇéʪ¶È | ¡Ü90%RH |
´æ´¢Êª¶È | ¡Ü60%RH |
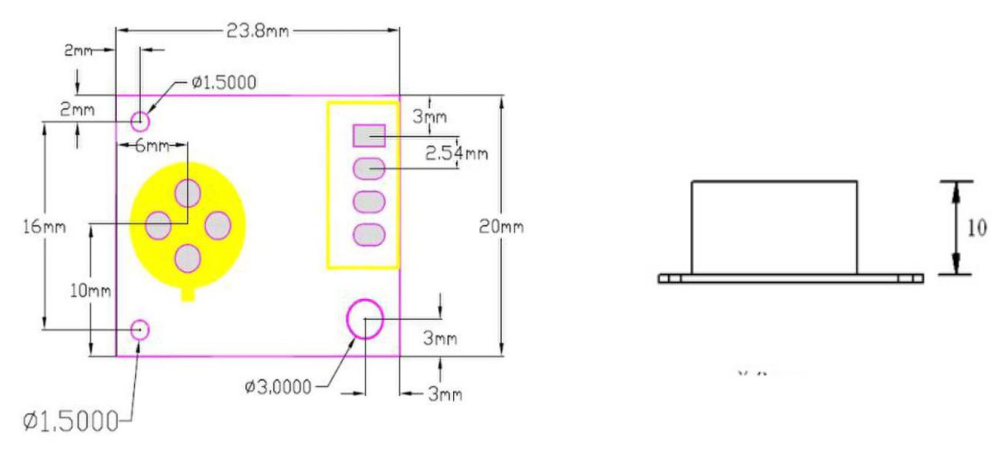
ÐÎ×´³ß´ç | 24x20x1.5mm L*W*H |
ÖØÁ¿ | ¡Ü20g |
ʹÓÃÊÙÃü | 5Äê |
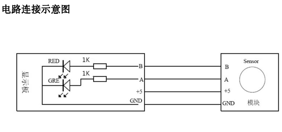
¶Ë¿Ú½ç˵£º
¶Ë¿ÚÃû | ½Ó¿ÚÓÃ; |
¶Ë¿Ú1 | ½ÓµçÔ´¸º¼«£¨-£© |
¶Ë¿Ú2 | ½ÓµçÔ´Õý¼«£¨+£© |
¶Ë¿Ú3 | A |
¶Ë¿Ú4 | B |
Êä³öÐźŽç˵
ÎÛȾƷ¼¶ | A | B |
0 | 0 | 0 |
1 | +5V | 0 |
2 | 0 | +5V |
3 | +5V | +5V |
Ä£×é³ß´ç£º


×¢ÖØÊÂÏ
1¡¢Ä£×é×èÖ¹½Ó´¥ÓлúÈܼÁ£¨°üÀ¨¹è½º¼°ÆäËü½ºÕ³¼Á£©¡¢Í¿ÁÏ¡¢Ò©¼Á¡¢ÓÍÀ༰¸ßŨ¶ÈÆøÌå¡£¡£¡£¡£¡£
2¡¢Ä£×é²»¿É¾ÊÜÌ«¹ýµÄײ»÷»òÕ𾪡£¡£¡£¡£¡£
3¡¢Ä£×éÊ×´ÎÉϵçʹÓÃÐèÔ¤ÈÈ 5 ·ÖÖÓÒÔÉÏ¡£¡£¡£¡£¡£
4¡¢ÇëÎ𽫸ÃÄ£×éÓ¦ÓÃÓÚÉæ¼°ÈËÉíÇå¾²µÄϵͳÖС£¡£¡£¡£¡£
5¡¢ÇëÎð½«Ä£×é×°ÖÃÔÚÇ¿¿ÕÆø¶ÔÁ÷ÇéÐÎÏÂʹÓᣡ£¡£¡£¡£
6¡¢ÇëÎð½«Ä£×鳤ʱ¼ä°²ÅÅÓÚ¸ßŨ¶ÈÓлúÆøÌåÖС£¡£¡£¡£¡£
7¡¢ÇëÑÏ¿áÆ¾Ö¤Ä£×éµÄ¹©µçµçѹ¸øÄ£×é¾ÙÐй©µç£¬£¬£¬£¬£¬£¬µçѹÁè¼Ý 5.5V »áµ¼ÖÂÄ£×é²»¿ÉÄæ×ªµÄË𻵡£¡£¡£¡£¡£