产品类型: 民用电化学气体传感器
产品型号: GM4
声明: kb88平台传感保存更改产品设计、规格、参数的权力及资料信息的最终 诠释权。。。。。。。欲相识更多关于kb88平台产品的信息,,,,,,,,请致电kb88平台公司,,,,,,,,索取更多详 细的手艺资料。。。。。。。

GM4电化学一氧化碳气体传感器是燃料
电池型传感器,,,,,,,,一氧化碳和氧气在事情电极和
对电极上爆发响应的氧化还原反应并释放电荷
形成电流,,,,,,,,爆发的电流巨细与一氧化碳浓度成
正比,,,,,,,,通过测定电流的巨细即可判断一氧化碳
的浓度。。。。。。。
GM4电化学一氧化碳传感器特点:
1. 对一氧化碳有高迅速度与高选择性
2. 对一氧化碳响应极快
3. 线性输出
4. 长寿命
5. 环保结构设计
6. 奇异的防走漏结构
GM4电化学一氧化碳传感器应用:
● 家用、商用一氧化碳监测
● 工业应用一氧化碳监测
● 室内停车场一氧化碳监测
● 游艇、房车等一氧化碳监测
● 发电机一氧化碳监测
● 智能家居一氧化碳监测
项目 | 参数 |
工具气体 | 一氧化碳 |
检测规模 | 0~1000ppm |
极限过载 | 2000ppm |
输出信号 | 1.4~3nA/ppm |
重复性 | ±2% |
区分率 | 0.5ppm |
典范响应时间(t90) | <60秒 |
恒久输出飘移 | <2%月 |
预期寿命 | 7年 |
事情温度 | -20~50℃ |
事情湿度 | 15~90%RH |
事情压力规模 | 0.1MPa±10% |
建议的负载电阻 | 1KΩ |
偏置电压 | 无要求 |
(*)性能参数条件条件:20? C,,,,,,,,50%RH,,,,,,,,1013hPa。。。。。。。
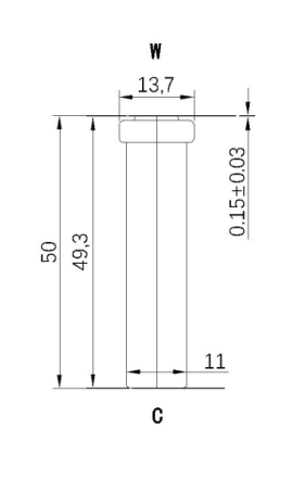
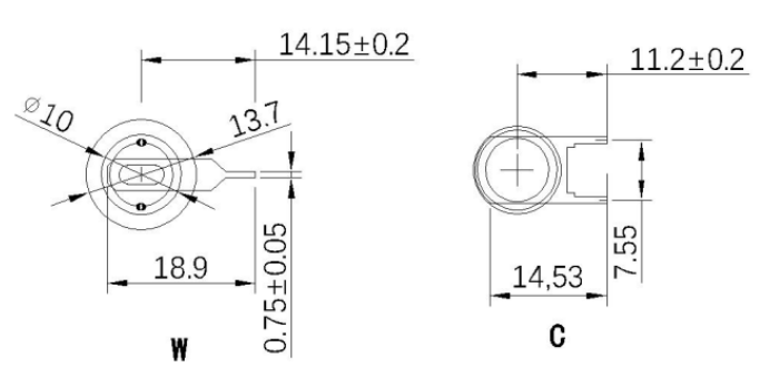
3. 结构尺寸图


单位:mm,,,,,,,,尺寸公差±
4. 产品特征
4.1 迅速度特征
GM4(25°C)典范特征(线性输出)如下图

4.2 温度依赖特征
GM4的典范特征(温度依赖)如下图

4.3 稳固性特征

4.4 交织敏感特征数据
传感器对种种滋扰气体的典范响应/(25?C)的交织敏感特征
气体 | 浓度(ppm) | 一氧化碳当量浓度(ppm) |
乙醇 | 10 | 0 |
硫化氢 | 100 | 0 |
乙烯 | 100 | 80 |
氢气 | 500 | 40 |
环氧乙烷 | 10 | 0 |
二氧化氮 | 10 | 0 |
氨 | 20 | 0 |
氯气 | 10 | 1 |
1.装置时可焊接引线,,,,,,,,榨取焊锡接触传感器;;;;;;
2.通电老化时间不少于 30min;;;;;;
3.阻止恒久接触有机挥发性溶剂;;;;;;
4.使用或贮存情形不可为酸碱情形。。。。。。。