²úÆ·ÀàÐÍ£º ÃñÓÃµç»¯Ñ§ÆøÌå´«¸ÐÆ÷
²úÆ·Ðͺţº GM3
ÉùÃ÷£º kb88ƽ̨´«¸Ð±£´æ¸ü¸Ä²úÆ·Éè¼Æ¡¢¹æ¸ñ¡¢²ÎÊýµÄȨÁ¦¼°×ÊÁÏÐÅÏ¢µÄ×îÖÕ Ú¹ÊÍȨ¡£¡£¡£¡£¡£¡£¡£¡£ÓûÏàʶ¸ü¶à¹ØÓÚkb88ƽ̨²úÆ·µÄÐÅÏ¢£¬£¬£¬£¬£¬£¬£¬ÇëÖµçkb88ƽ̨¹«Ë¾£¬£¬£¬£¬£¬£¬£¬Ë÷È¡¸ü¶àÏê ϸµÄÊÖÒÕ×ÊÁÏ¡£¡£¡£¡£¡£¡£¡£¡£

±¾¹«Ë¾Éú²úµÄµç»¯Ñ§Ê½¼×È©ÆøÌå´«¸ÐÆ÷ÊÇÕæÕýÄܹ»Ò»Á¬¼à²âµÄ´«¸ÐÆ÷£¬£¬£¬£¬£¬£¬£¬¶ø²»ÐèÒªÈÎºÎµÄÆøÌå²ÉÑù»òÕß½ÓÄÉÆø±Ã³éÈ¡¡£¡£¡£¡£¡£¡£¡£¡£ÊʺÏÓÚ¾ø´ó´ó¶¼µÄÇéÐΣ¨-20¡æ~+50¡æ£©¼à²âʹÓã¨ÈôÓÐÌØÊâÏÈÈÝ£¬£¬£¬£¬£¬£¬£¬¿ÉÓ¦ÓÃÓÚ¸ü¸ßµÄζÈÖУ©¡£¡£¡£¡£¡£¡£¡£¡£Õâ¿î´«¸ÐÆ÷ÓÐÎå´óÉè¼Æ½á¹¹Ìص㣺
1¡¢µÍ±¾Ç®
Éè¼Æ½á¹¹¼òÆÓÒÔ¼°ºÜÉٵIJ¿¼þʹµÃÆä±¾Ç®»ñµÃ½µµÍ£¬£¬£¬£¬£¬£¬£¬´Ó¶øÐγɸüÓоºÕùÁ¦µÄ¼ÛÇ®¡£¡£¡£¡£¡£¡£¡£¡£
2¡¢³¤ÊÙÃü
ËüʹÓõÄÊÇÔÚÌìϹæÄ£ÄÚÒѾÓÐ30¶àÄêʹÓÃÂÄÀúµÄºôÎü¾Æ¾«´«¸ÐÆ÷µÄÔª¼þÍŽṤҵµç»¯Ñ§¶¾Æø´«¸ÐÆ÷ÔÀíÉè¼Æ¶ø³É¡£¡£¡£¡£¡£¡£¡£¡£¶øºôÎü¾Æ¾«´«¸ÐÆ÷µÄ¾«¶È£¬£¬£¬£¬£¬£¬£¬ÎȹÌÐԺͺã¾ÃÐÔ¶¼ÊÇÒѾ»ñµÃÁËÑéÖ¤¡£¡£¡£¡£¡£¡£¡£¡£Í¬Ê±½ÓÄɹ¤Òµµç»¯Ñ§¶¾Æø´«¸ÐÆ÷µÄÉè¼ÆÊ¹´«¸ÐÆ÷¸üÄÜ˳ӦÖÖÖÖ¼«¶ËÌõ¼þÈç¸ßθßʪ¼°µÍεÍʪÇéÐΡ£¡£¡£¡£¡£¡£¡£¡£
3¡¢ÏìÓ¦¿ìËÙ
Ò»Ìõ¶ÌСÇÒµÍ×迹µÄÀ©É¢Â·¾¶Ê¹ÆäÏìӦʱ¼äºÜÉÙ¡£¡£¡£¡£¡£¡£¡£¡£
4¡¢µçÔ´ÒªÇóµÍ
ȼÁÏµç³ØÔÀíÒâζ×ÅËü²¢²»ÐèÒªµçÔ´¼¤Àø£¬£¬£¬£¬£¬£¬£¬½ö½öÔÚÐźŵĴ¦Öóͷ£ºÍÏÔʾʱÐèÒªµçÄÜ£¬£¬£¬£¬£¬£¬£¬ÒÔÊǽö½öÒ»¸ö¼òÆÓµÄСµç³Øµ¥Î»¼´¿É¡£¡£¡£¡£¡£¡£¡£¡£
5¡¢ÎȹÌÐÔ
ºÜÊǺõÄÎȹÌÐÔ£¬£¬£¬£¬£¬£¬£¬ÔÊÐíÔÚʹÓÃÀú³ÌÖкÜÊdz¤µÄУ׼ÖÜÆÚ¡£¡£¡£¡£¡£¡£¡£¡£
¹æ¸ñ£º
ÕÉÁ¿ÆøÌå | ¼×È©CH2O |
Á¿³Ì | 0~5ppm |
¹ýÔØÄÜÁ¦ | 10ppm |
¹ýÂËĤ | ²£Á§ÏËά |
¼ì²âÊÙÃü | 3Ä꣨ÔÚÎÞÇÖÊ´ÐÔÆøÌåÖУ© |
Êä³öÐźŠ| 600~1500nA/ppm |
ζȹæÄ£ | -20~50¡æ |
ѹÁ¦¹æÄ£ | ±ê×¼´óÆøÑ¹¡À10% |
Çø·ÖÂÊ | 0.01ppm |
ÏìӦʱ¼ä(T90) | £¼30s |
ºã¾ÃÊä³öÆ¯ÒÆ | ÿÄ꣼10% |
ÖØ¸´ÐÔ | ¡Ü¡À2% |
Êä³öÏßÐÔ | ÏßÐÔ |
ÎÂ¶ÈÆ¯ÒÆ | 0.35%/¡æ |
ÖØÁ¿ | 5g |
³ß´ç | ¼û³ß´çͼ |
²úÆ·½á¹¹Í¼£º

ÊÂÇéÔÀí
´«¸ÐÆ÷ÄÚ²¿°üÀ¨Ò»¸öͨÀýµÄÁ½µç¼«È¼ÁÏµç³Ø´«¸ÐÆ÷¡£¡£¡£¡£¡£¡£¡£¡£ÊÂÇéµç¼«Í¨¹ýÍâµç·½«µç×ÓÊͷŵ½¼ÆÊýµç¼«£¬£¬£¬£¬£¬£¬£¬²¢ÇÒÔÚ¼ÆÊýµç¼«¶ËËæ×ÅÑõµÄïÔ̶øÏûºÄ£¬£¬£¬£¬£¬£¬£¬ÄÚµç·Óɵç½âÒºÖеÄÀë×ÓÁ÷À´ÊµÏÖ¡£¡£¡£¡£¡£¡£¡£¡£Éè¼ÆÓÅÒ죬£¬£¬£¬£¬£¬£¬±ãÓÚµç½âÒºµÄÏû³¤¡£¡£¡£¡£¡£¡£¡£¡£µç½âÒºµÄÏû³¤ËæÇéÐÎζȺÍʪ¶ÈµÄת±ä¶ø×ª±ä£¬£¬£¬£¬£¬£¬£¬¿ÉÊÇÈÔ¿ÉÕý³£ÊÂÇé²»»áÓ°Ï쵽У׼ֵ¡£¡£¡£¡£¡£¡£¡£¡£
´«¸ÐÆ÷µç·
¼×È©´«¸ÐÆ÷Êä³öµÄµçÁ÷ÖµÓÚ¿ÕÆøÖдÓ0µ½¸ßŨ¶ÈµÄ¼×ȩŨ¶È³ÊÏßÐÔ¹ØÏµ¡£¡£¡£¡£¡£¡£¡£¡£
Êä³öÐźÅÐèҪƾ֤׼ȷ¶ÈÒªÇó¾ÙÐзŴóºÍζÈÅâ³¥¡£¡£¡£¡£¡£¡£¡£¡£
ÐźŷŴó
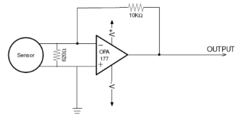
Êä³öÐźŷŴóµÄÊ×ѡҪÁìÊÇʹÓÃÒ»¸öÖ±½ÓµÄµçÁ÷µ½µçѹ·Å´óµÄÔËËã·Å´óÆ÷¡£¡£¡£¡£¡£¡£¡£¡£ÕâÑùµÄ»°´«¸ÐÆ÷½«ÊÂÇéÔÚÆä×îºÃµÄģʽÏ¡£¡£¡£¡£¡£¡£¡£¡£»ñµÃµÄÐźÅֵȡ¾öÓÚ·´Ïìµç×èµÄ´óС£¡£¡£¡£¡£¡£¡£¡£»£»£»£»£»£»ÀýÈç˵ʹÓÃ1000Å·Ä·µÄµç×èÖµ£¬£¬£¬£¬£¬£¬£¬ÄÇôһ¸öÊä³öΪ5nAµÄÐźŽ«»áת»¯Îª5mVµÄÊä³öÐźš£¡£¡£¡£¡£¡£¡£¡£
ÓÉÓÚÔÚ¿ªÂ·×´Ì¬´«¸ÐÆ÷¿ÉÄÜ»áÖð½¥ÒýÆðÆ«ÒÆ£¬£¬£¬£¬£¬£¬£¬ËäÈ»²»»á¶Ô²úÆ·ÓÐËðÉË£¬£¬£¬£¬£¬£¬£¬¿ÉÊÇÒ²ÒªÆÆ·Ñʱ¼äÈ¥·Åµç¡£¡£¡£¡£¡£¡£¡£¡£ÒÔÊÇÔÚÔ̲ØÊ±´úÒ»Ñùƽ³£½«Êä³ö¶Ë×Ó¾ÙÐжÌ·´¦Öóͷ££¬£¬£¬£¬£¬£¬£¬ÕâÑù¾Í²»»á·ºÆðÏÔ×ŵĺã¾ÃµÄÆ«ÒÆÁ¿¡£¡£¡£¡£¡£¡£¡£¡£
ÔÚʹÓÃÀú³ÌÖУ¬£¬£¬£¬£¬£¬£¬ÎªÁË×èÖ¹ÔÚ·Å´óÆ÷±»¶Ï¿ªµÄʱ¼äÆ«ÒÆÁ¿µÄÔöÌí£¬£¬£¬£¬£¬£¬£¬¿ÉÒÔÔÚÁ½Í·×ÓÖ®¼äÅþÁ¬Ò»¸öµÍ×èÖµµÄµç×裨µä·¶ÖµÎª620Å·Ä·£©¡£¡£¡£¡£¡£¡£¡£¡£ÁíÍ⣬£¬£¬£¬£¬£¬£¬Ò²¿É½«·Å´óÆ÷Ò»Á¬¹©µç¡£¡£¡£¡£¡£¡£¡£¡£
ÏÂÃæ¸ø³öµä·¶µÄÓ¦Óõç·£º

Ôڸ߾«¶ÈÕÉÁ¿Öз´Ïìµç×èӦΪ470K£¬£¬£¬£¬£¬£¬£¬Í¬Ê±²¢ÁªÒ»¸ö4.7¦ÌFµÄîãµçÈÝÔÚûÓз´ÏòÏìӦʱ¼äµÄÇéÐÎϽµÔë¡£¡£¡£¡£¡£¡£¡£¡£
×¢ÖØ£º
¸Ãµç·ʹÓõÄÊÇ˫·µçÔ´£¬£¬£¬£¬£¬£¬£¬ÕâÑùÄÜ»ñµÃ×î¼ÑЧ¹û¡£¡£¡£¡£¡£¡£¡£¡£ÔÚÕâ¸öµç·£¨ÒÔ¼°ÀàËÆµÄµç·£©ÄÚÀ£¬£¬£¬£¬£¬£¬ÔËËã·Å´óÆ÷ÎÒÃÇÍÆ¼öʹÓÃBurr-BrownµÄOPA177¡£¡£¡£¡£¡£¡£¡£¡£ÁíÍ⣬£¬£¬£¬£¬£¬£¬Ò²¿ÉÒÔÑ¡Óõ͹¦Âʲ¢ÇÒÔëÉùºÜÊÇϸСµÄOPA241¡£¡£¡£¡£¡£¡£¡£¡£ÕâÁ½ÖÖÐÍºÅµÄÆ÷¼þ×Ô¼ºµÄÆ¯ÒÆÁ¿¶¼ºÜС£¬£¬£¬£¬£¬£¬£¬Ñ¸ËÙ¶ÈÓÖºÜÊǸߣ¬£¬£¬£¬£¬£¬£¬²¢ÇÒºÜÈÝÒ×¼ÓÈëµ½Æ«ÒÆÕûÀíµç·ÖÐÈ¥Ïû³ýÊ£ÓàµÄÆ¯ÒÆÁ¿¡£¡£¡£¡£¡£¡£¡£¡£
ÎÒÃÇÒѾÍê³ÉÁËʹÓÃÀàËÆOP90ÕâÖÖרÓõÄÔËËã·Å´óÆ÷µÄµ¥Â·¹©µçµç·µÄÑо¿£¬£¬£¬£¬£¬£¬£¬²¢²»ÍƼöʹÓᣡ£¡£¡£¡£¡£¡£¡£ÈôÊǽÓÄÉ3V¹©µçµÄ»°£¬£¬£¬£¬£¬£¬£¬ÎÒÃÇÍÆ¼öʹÓÃÖîÈçICL7660ÕâÑùµÄIC±¬·¢µÄ¸ºµçÔ´¡£¡£¡£¡£¡£¡£¡£¡£
ζÈÅâ³¥
±¾´«¸ÐÆ÷µÄÎÂ¶ÈÆ¯ÒÆÂÊΪ0.35%ÿÉãÊ϶ȣ¨-20¡æ~50¡æ£©¡£¡£¡£¡£¡£¡£¡£¡£
ÈôÊÇÐèÒªµÄÕÉÁ¿¾«¶ÈºÜ¸ß£¬£¬£¬£¬£¬£¬£¬ÄÇô¾ÍÐèÒª¸øµç·ÖмÓÈëζÈÅâ³¥µÄ²¿·Ö¡£¡£¡£¡£¡£¡£¡£¡£Ò»Ñùƽ³£À´Ëµ£¬£¬£¬£¬£¬£¬£¬ÔÚ¼òÆÓµç·ÄÚÀ£¬£¬£¬£¬£¬£¬ÎÒÃÇ¿ÉÒÔͨ¹ýÔÚÔËËã·Å´óÆ÷µÄ·´Ïì»ØÂ·ÖÐÊʵ±µÄ¼ÓÈëÒ»¸öÈÈÃôµç×èÀ´ÊµÏÖ£¨¸ÃÈÈÃôµç×è¿ÉÒÔͨ¹ýÓëÆäËûµÄµç×èµÄ´®²¢Áª¾ÙÐÐÐÞÕý£©¡£¡£¡£¡£¡£¡£¡£¡£ÈôÊÇʹÓÃ΢´¦Öóͷ£Æ÷µç·µÄ»°£¬£¬£¬£¬£¬£¬£¬ÔÚÈí¼þµÄ¿ØÖÆÏ£¬£¬£¬£¬£¬£¬£¬ÈÈÃôµç×èÅâ³¥»áÔ½·¢×¼È·¡£¡£¡£¡£¡£¡£¡£¡£
ζÈÒÀÀµÐÔÓÐÁ½¸ö²¿·Ö£º
1£®ÆøÌåµÄÀ©É¢ÂÊËæÎ¶ȵÄÔöÌí¶øÔöÌí¡£¡£¡£¡£¡£¡£¡£¡£
2£®µÍÎÂÏ£¬£¬£¬£¬£¬£¬£¬µç½âÖʵĹ¦Ð§½«»áÏÔ×ÅÏ÷Èõ£¬£¬£¬£¬£¬£¬£¬Õ⽫³ÉΪ¾öÒé±ÈÂʵÄÒòËØ¡£¡£¡£¡£¡£¡£¡£¡£
ÏßÐÔ
¼×È©´«¸ÐÆ÷µÄÏßÐÔÖÁÉÙΪ10ppm ¡£¡£¡£¡£¡£¡£¡£¡£
ѸËÙ¶È
ѸËÙ¶ÈÈ¡¾öÓÚ´«¸ÐÆ÷ÍâòµÄͨ·¿×¾¶µÄ´óС£¡£¡£¡£¡£¡£¡£¡£»£»£»£»£»£»¿×¾¶Ô½´ó£¬£¬£¬£¬£¬£¬£¬À©É¢µ½´«¸ÐÆ÷ÖÐµÄÆøÌå¾ÍÔ½¶à£¬£¬£¬£¬£¬£¬£¬ÐźÅÒ²¾ÍԽǿ¡£¡£¡£¡£¡£¡£¡£¡£±ê×¼µÄ£¨×îСÏÖʵ¿×¾¶£©¼òµ¥ÖÐÐĿ׾¶µÄÖ±¾¶Îª1mm£¬£¬£¬£¬£¬£¬£¬Ò²¿ÉÒÔÆ¾Ö¤¿Í»§µÄÐèÇó¾ÙÐж©ÖÆ¡£¡£¡£¡£¡£¡£¡£¡£Ñ¡Ôñ¿×¾¶ÒªË¼Á¿µ½Äܹ»±¬·¢ºÏÊʵÄÐÅÔë±È£¬£¬£¬£¬£¬£¬£¬¿ÉÊÇÒ²Òª×èÖ¹ÆøÌåÑùÆ·¹ýÁ¿£¬£¬£¬£¬£¬£¬£¬²»È»»áµ¼ÖÂÊä³ö·ÇÏßÐÔ£¬£¬£¬£¬£¬£¬£¬·´Ó¦»ºÂýÒÔ¼°ÆøÌåϴ媲»Çå½àµÈÎÊÌâ·ºÆð¡£¡£¡£¡£¡£¡£¡£¡£
½»Ö¯×ÌÈÅÌØÕ÷
ÆøÌå | Ũ¶È/PPM | HCHOµÈͬŨ¶È/PPM |
¼×È© | 5 | 5 |
±½ | 10 | 0.1 |
¼×±½ | 10 | 0.46 |
ÒÒËá | 200 | 0.52 |
¾Æ¾« | 100 | 40.6 |
Áò»¯Çâ | 50 | 3 |
Ò»Ñõ»¯Ì¼ | 200 | 0.64 |
×¢ÖØÊÂÏî
1.×°ÖÃ2.54mm½Ó²åÕ뺸½ÓʱӦ¿ìËÙÍê³ÉÉÏÎýº¸½Ó£¬£¬£¬£¬£¬£¬£¬×èÖ¹ÀÓÌú³¤Ê±¼ä¸ßζԴ«¸ÐÆ÷½á½á¹¹³ÉÆÆË𣻣»£»£»£»£»
2.ʹÓÃǰÀÏ»¯Ê±¼ä²»ÉÙÓÚ 12Сʱ£»£»£»£»£»£»
3.µç½âÒº×ß©»áÔì³ÉË𺦣¬£¬£¬£¬£¬£¬£¬ÇëÎðËæÒâ²ð½â´«¸ÐÆ÷£»£»£»£»£»£»
4.´«¸ÐÆ÷×èÖ¹½Ó´¥ÓлúÈܼÁ£¨°üÀ¨¹èÏ𽺼°ÆäËü½ºÕ³¼Á£©¡¢Í¿ÁÏ¡¢Ò©¼Á¡¢ÓÍÀ༰¸ßŨ¶ÈÆøÌ壻£»£»£»£»£»
5.ËùÓе绯ѧ´«¸ÐÆ÷²»¿ÉÓÃÊ÷Ö¬ÖÊÁÏÍêÈ«·â×°£¬£¬£¬£¬£¬£¬£¬Ò²²»¿É½þûÔÚÎÞÑõÇéÐÎÖУ¬£¬£¬£¬£¬£¬£¬²»È»»áË𻵴«¸ÐÆ÷µÄÐÔÄÜ£»£»£»£»£»£»
6.ËùÓе绯ѧ´«¸ÐÆ÷²»¿É³¤Ê±¼äÓ¦ÓÃÓÚº¬ÓÐÇÖÊ´ÐÔÆøÌåµÄÇéÐÎÖУ¬£¬£¬£¬£¬£¬£¬ÇÖÊ´ÐÔÆøÌå»áË𺦴«¸ÐÆ÷£»£»£»£»£»£»
7.ÆøÌåÁãµã²â׼ʱ£¬£¬£¬£¬£¬£¬£¬ÐëÔÚÇå½àµÄ´óÆøÖоÙÐУ»£»£»£»£»£»
8.´«¸ÐÆ÷²âÊÔºÍÓ¦ÓÃʱ£¬£¬£¬£¬£¬£¬£¬Ðë×èÖ¹ÕýÃæ±ÊÖ±½øÆø£»£»£»£»£»£»
9.´«¸ÐÆ÷µÄ½øÆøÃæ²»µÃÛÕ±Õ¡¢²»µÃÎÛȾ£»£»£»£»£»£»
10.´«¸ÐÆ÷ÉÏ·½·ÀË®Í¸ÆøÄ¤ÑϽû½Ò¿ª¡¢ÈËΪË𻵣»£»£»£»£»£»
11.´«¸ÐÆ÷²»¿ÉÌ«¹ýµÄײ»÷»òÕ𾪣»£»£»£»£»£»
12.Íâ¿ÇÓÐÆÆËð¡¢±äÐεÈÇéÐÎÏÂÇ벻ҪʹÓ㻣»£»£»£»£»
13.¸ßŨ¶ÈµÄÆøÌåÇéÐÎÖг¤Ê±¼äʹÓú󣬣¬£¬£¬£¬£¬£¬´«¸ÐÆ÷»Ö¸´µ½³õÆÚ״̬½Ï»ºÂý£»£»£»£»£»£»
14.´«¸ÐÆ÷Öü´æÊ±ÊÆÇéµç¼«Óë¶Ôµç¼«Ó¦´¦ÓÚ¶Ì·״̬£»£»£»£»£»£»
15.եȡÓÃÈÈÈÛ½º»òÕ߹̻¯Î¶ȸßÓÚ 80¡æÒÔÉϵÄÃܷ⽺·â×°´«¸ÐÆ÷£»£»£»£»£»£»
16.եȡ³¤Ê±¼äÔÚ¸ßŨ¶È¼îÐÔÆøÌåÖдæ·ÅºÍʹÓᣡ£¡£¡£¡£¡£¡£¡£