产品类型: 工业电化学气体传感器
产品型号: GM4010-O2
声明: kb88平台传感保存更改产品设计、规格、参数的权力及资料信息的最终 诠释权。。。。。。。。欲相识更多关于kb88平台产品的信息,,,,,,请致电kb88平台公司,,,,,,索取更多详 细的手艺资料。。。。。。。。

产品概述
GM4010-O?传感器是河南森斯科传感手艺有限公司研爆发产的一款电化学式氧气传感器。。。。。。。。在电极的催化下,,,,,,事情电极及对电极上划分爆发氧化还原反应,,,,,,从而爆发响应巨细的电流,,,,,,爆发的电流巨细与氧气浓度成正比,,,,,,通过测定电流的巨细即可判断氧气浓度的崎岖。。。。。。。。
主要应用
● 石油化工矿山领域氧气报警器
● 医用制氧机、氧气便携仪、氧气探测器
● 空气质量检测仪表、制氧机氧气监测
● 地下停车场内及商用空气净化装备
● 车内空气品质检测、以及车内净化装备新风系统等领域
本产品用于氧气气体浓度检测,,,,,,可替换市场通例四系氧气电化学传感器。。。。。。。。
手艺参数
项目 | 参数 |
型号 | GM4010-O2 |
检测气体 | 氧气O? |
检测规模 | 0-25%vol |
最大负载浓度 | 30%vol |
迅速度(室温) | 3.8-5.7uA/vol% |
零点漂移(-40°C-50°C) | <0.2vol% |
区分率 | 0.1%vol |
响应时间(T90) | <15S |
偏置电压 | 0mV |
使用温度规模 | -40°C-50°C |
使用湿度规模 | 15% - 90%RH(无冷凝) |
使用压力规模 | 1±0.1标准大气压 |
年漂移量 | <5% |
建议存储温度 | 10°C-30°C |
使用寿命 | 2年(空气中) |
贮存时间 | 6个月(清洁情形) |
质保期 | 1年 |
注:规格在20℃、50%相对湿度和1013毫巴下有效。。。。。。。。
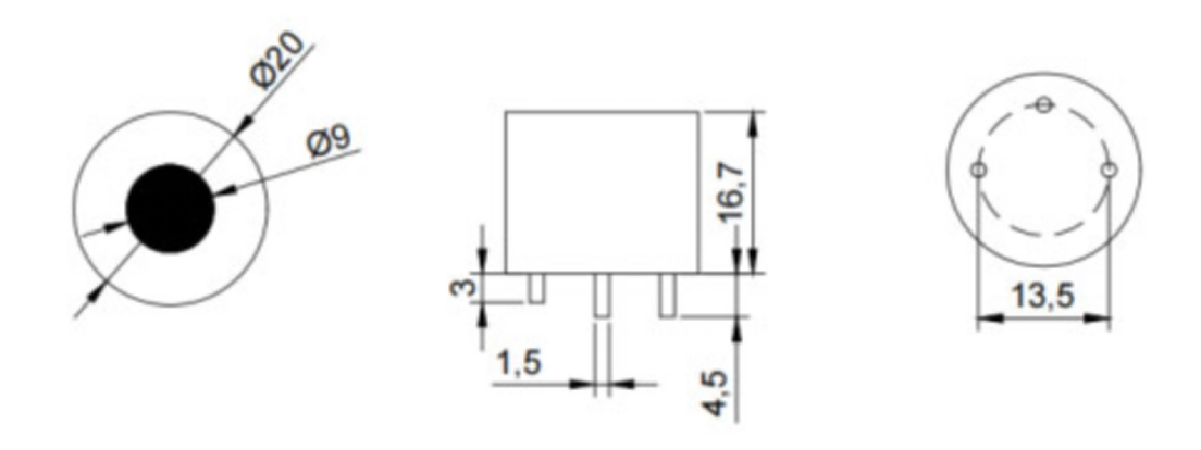
结构尺寸

尺寸单位:mm,,,,,,公差±0.2mm
注重事项
1、榨取管脚使用锡焊举行毗连;;;;;;
2、通电老化时间不少于24小时;;;;;;
3、阻止恒久接触油漆、涂料及高浓度有机挥发性溶剂;;;;;;
4、使用或贮存情形不可为酸碱情形;;;;;;
5、榨取使用历程中对产品举行挤压等破损;;;;;;
6、榨取在传感器上方或旁边使用粘结剂,,,,,,阻止对进气口梗塞。。。。。。。。
寿命测试

注:上述寿命测试数据,,,,,,仅为在实验室测试效果,,,,,,现实使用寿命需凭证现场情形使用情形确定。。。。。。。。
温度特征