²úÆ·ÀàÐÍ£º Ƭʽ°ëµ¼Ìå
²úÆ·Ðͺţº GK6
ÉùÃ÷£º kb88ƽ̨´«¸Ð±£´æ¸ü¸Ä²úÆ·Éè¼Æ¡¢¹æ¸ñ¡¢²ÎÊýµÄȨÁ¦¼°×ÊÁÏÐÅÏ¢µÄ×îÖÕ Ú¹ÊÍȨ¡£¡£¡£¡£¡£ÓûÏàʶ¸ü¶à¹ØÓÚkb88ƽ̨²úÆ·µÄÐÅÏ¢£¬£¬£¬£¬£¬£¬ÇëÖµçkb88ƽ̨¹«Ë¾£¬£¬£¬£¬£¬£¬Ë÷È¡¸ü¶àÏê ϸµÄÊÖÒÕ×ÊÁÏ¡£¡£¡£¡£¡£
²úÆ·¸ÅÊö£º
GK6ÐÍÆøÌå´«¸ÐÆ÷ÊDZûÍ鯸Ìå´«¸ÐÆ÷¡£¡£¡£¡£¡£½ÓÄɶà²ãºñĤ֯Ô칤ÒÕ£¬£¬£¬£¬£¬£¬ÔÚ΢ÐÍÌÕ´É»ùƬÉϵÄÁ½Ãæ»®·ÖÐγɼÓÈÈÆ÷ºÍ½ðÊôÑõ»¯Îï°ëµ¼Ì寸Ãô²ã£¬£¬£¬£¬£¬£¬Óõ缫ÒýÏßÒý³ö£¬£¬£¬£¬£¬£¬¾TO-5½ðÊôÍâ¿Ç·â×°¶ø³É¡£¡£¡£¡£¡£µ±ÇéÐÎ¿ÕÆøÖÐÓб»¼ì²âÆøÌå±£´æÊ±´«¸ÐÆ÷µçµ¼Âʱ¬·¢×ª±ä£¬£¬£¬£¬£¬£¬¸ÃÆøÌåµÄŨ¶ÈÔ½¸ß£¬£¬£¬£¬£¬£¬´«¸ÐÆ÷µÄµçµ¼ÂʾÍÔ½¸ß¡£¡£¡£¡£¡£½ÓÄɼòÆÓµÄµç·¼´¿É½«ÕâÖֵ絼ÂʵÄת±äת»»ÎªÓëÆøÌåŨ¶È¶ÔÓ¦µÄÊä³öÐźš£¡£¡£¡£¡£
ÌØµã£º
l µÍ¹¦ºÄ
l Îȹ̺à ÊÙÃü³¤
l ±¾Ç®µÍ
l Ìå»ýС
l Ó¦Óõç·¼òÆÓ
Ö÷ÒªÓ¦Óãº
¡ñ ÓÃÓÚ¼ÒÍ¥¡¢¹¤³§¡¢ÉÌÒµÓÃËùµÄ¿ÉÈ¼ÆøÌå×ß©¼à²â
×°Ö㬣¬£¬£¬£¬£¬·À»ð/Ç徲̽²âϵͳ¡£¡£¡£¡£¡£
¡ñ ¿ÉÈ¼ÆøÌå×ß©±¨¾¯Æ÷£¬£¬£¬£¬£¬£¬ÆøÌå¼ì©ÒÇ¡£¡£¡£¡£¡£
¹æ¸ñ£º
²úÆ·ÐͺŠ| GK6 | ||
²úÆ·ÀàÐÍ | Æ½Ãæ°ëµ¼Ì寸ÃôÔª¼þ | ||
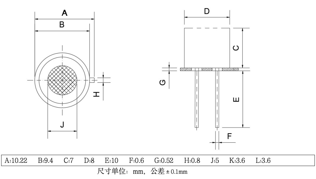
±ê×¼·â×° | TO-5 | ||
¼ì²âÆøÌå | ±ûÍé¡¢Òº»¯Ê¯ÓÍÆø | ||
¼ì²âŨ¶È | 100¡«10000ppm(±ûÍé) | ||
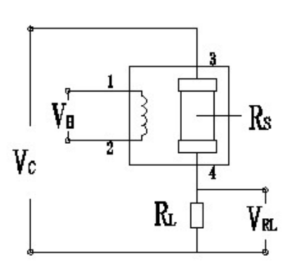
±ê×¼ µç· Ìõ¼þ | »ØÂ·µçѹ | VC | ¡Ü5V DC |
¼ÓÈȵçѹ | VH | 5.0V¡À0.1V ACorDC | |
¸ºÔصç×è | RL | ¿Éµ÷ | |
±ê×¼ ²âÊÔ Ìõ¼þ ÏÂÆø ÃôÔª ¼þÌØ ÐÔ | ¼ÓÈȵç×è | RH | 55¦¸¡À10¦¸£¨ÊÒΣ© |
¼ÓÈȹ¦ºÄ | PH | ¡Ü320mW | |
Ãô¸ÐÌå µç ×è | RS | 1K¦¸-20K¦¸(in 2000ppm ±ûÍé) | |
ѸËÙ¶È | S | Rs(in air)/Rs(in 2000ppm±ûÍé)¡Ý10 | |
Ũ¶ÈбÂÊ | ¦Á | ¡Ü0.8(R2000ppm/R1000ppm±ûÍé) | |
±ê×¼²âÊÔÌõ¼þ | ζȡ¢Êª¶È | 20¡æ¡À2¡æ£»£»£»£»£»30%¡À10%RH | |
±ê×¼²âÊÔµç· | Vc:5.0V¡À0.1V£»£»£»£»£» VH: 5.0V¡À0.1V | ||
Ô¤ÈÈʱ¼ä | ²»ÉÙÓÚ48Сʱ | ||
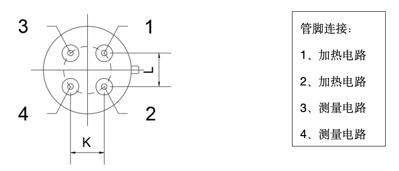
¹Ü½Å½ç˵£º
Æ½ÃæÐÍÆ÷¼þ½á¹¹ÈçͼËùʾ¡£¡£¡£¡£¡£ÔÚÌÕ´ÉÆ¬ÉÏÎȹ̼ÓÈÈË¿£¬£¬£¬£¬£¬£¬Á½Í·ÅþÁ¬½ðµç¼«ÒýÏߣ¬£¬£¬£¬£¬£¬²¢ÔÚÁ½µç¼«Ö®¼äÍ¿¸²°ëµ¼ÌåÃô¸ÐÖÊÁÏ¡£¡£¡£¡£¡£¼ÓÈÈÖÊÁÏ¿ÉÒÔ½«Õû¸öÌÕ´ÉÆ¬¼ÓÈÈÖÁ 200-400¡æ,ʹ´«¸ÐÆ÷µÖ´ïËùÐèµÄÊÂÇéζȡ£¡£¡£¡£¡£¹ÜоÍâ²àµÄ¶Ôµç¼«ÔòÄÜʵʱµØÕÉÁ¿ÖÊÁϵĵçÌØÕ÷ת±äÇéÐΡ£¡£¡£¡£¡£´«¸ÐÆ÷µÄº¸½ÓÒýÏß¶ÔӦͼÈçͼËùʾ£¬£¬£¬£¬£¬£¬ÒýÏß×ùÉÏÓÐһͻ³ö¼ÇºÅµã£¬£¬£¬£¬£¬£¬½ôÁڸñê¼ÇµÄ 1¡¢2ÒýÏß½ÅΪ¼ÓÈÈË¿Òý½Å£¬£¬£¬£¬£¬£¬3¡¢4Òý½ÅΪ´«¸ÐÆ÷ÐźÅÒý½Å¡£¡£¡£¡£¡£

»ù±¾²âÊԵ緣º
´«¸ÐÆ÷ 1¡¢2 ¹Ü½ÅÅþÁ¬¼ÓÈȵç·£¬£¬£¬£¬£¬£¬3¡¢4 ¹Ü½ÅÅþÁ¬ÕÉÁ¿µç·£»£»£»£»£»ÔÚÖª×ã´«¸ÐÆ÷µçÐÔÄÜÒªÇóµÄ Ìõ¼þÏ£¬£¬£¬£¬£¬£¬¼ÓÈȺÍÕÉÁ¿¿É¹²ÓÃͳһ¸öµçÔ´µç·¡£¡£¡£¡£¡£ ×¢£ºÇë×¢ÖØ´«¸ÐÆ÷ÉϵÄÍ»³ö±ê¼Ç£¬£¬£¬£¬£¬£¬½ôÁڸñê¼ÇµÄÁ½Ö»¹Ü½ÅΪ¼ÓÈȵ缫¡£¡£¡£¡£¡£

½á¹¹Í¼£º


×¢ÖØÊÂÏ
1 ±ØÐè×èÖ¹µÄÇéÐÎ
1.1 ̻¶ÓÚÓлú¹èÕôÆøÖÐ
ÈôÊÇ´«¸ÐÆ÷µÄÍâòÎü¸½ÁËÓлú¹èÕôÆø£¬£¬£¬£¬£¬£¬´«¸ÐÆ÷µÄÃô¸ÐÖÊÁϻᱻ°ü¹üס£¡£¡£¡£¡£¬£¬£¬£¬£¬£¬ÒÖÖÆ´«¸ÐÆ÷µÄÃô¸ÐÐÔ£¬£¬£¬£¬£¬£¬²¢ÇÒ²»¿É»Ö¸´¡£¡£¡£¡£¡£´«¸ÐÆ÷Òª×èֹ̻¶ÆäÔÚ¹èÕ³½Ó¼Á¡¢·¢½º¡¢¹èÏ𽺡¢Äå×Ó»òÆäËüº¬¹èËÜÁÏÌí¼Ó¼Á¿ÉÄܱ£´æµÄµØ·½¡£¡£¡£¡£¡£
1.2 ¸ßÇÖÊ´ÐÔµÄÇéÐÎ
´«¸ÐÆ÷̻¶ÔÚ¸ßŨ¶ÈµÄÇÖÊ´ÐÔÆøÌ壨ÈçH2S£¬£¬£¬£¬£¬£¬SOX£¬£¬£¬£¬£¬£¬Cl2£¬£¬£¬£¬£¬£¬HClµÈ£©ÖУ¬£¬£¬£¬£¬£¬²»µ«»áÒýÆð¼ÓÈÈÖÊÁϼ°´«¸ÐÆ÷ÒýÏßµÄÇÖÊ´»òÆÆË𣬣¬£¬£¬£¬£¬²¢»áÒýÆðÃô¸ÐÖÊÁÏÐÔÄܱ¬·¢²»¿ÉÄæµÄ¸Ä±ä¡£¡£¡£¡£¡£
1.3 ¼î¡¢¼î½ðÊôÑΡ¢Â±ËصÄÎÛȾ
´«¸ÐÆ÷±»¼î½ðÊôÓÈÆäÊÇÑÎË®ÅçÎíÎÛȾºó£¬£¬£¬£¬£¬£¬¼°Ì»Â¶ÔÚÂ±ËØÈç·úÖÐÒ²»áÒýÆðÐÔÄÜÁӱ䡣¡£¡£¡£¡£
1.4 ½Ó´¥µ½Ë®
½¦ÉÏË®»ò½þµ½Ë®ÖлáÔì³ÉÃô¸ÐÌØÕ÷Ͻµ¡£¡£¡£¡£¡£
1.5 ½á±ù
Ë®ÔÚÃô¸ÐÔª¼þÍâò½á±ù»áµ¼ÖÂÃô¸ÐÖÊÁÏËéÁѶøËðʧÃô¸ÐÌØÕ÷¡£¡£¡£¡£¡£
1.6 Ê©¼Óµçѹ¹ý¸ß
ÈôÊǸøÃô¸ÐÔª¼þ»ò¼ÓÈÈÆ÷Ê©¼ÓµÄµçѹ¸ßÓÚ»®¶¨Öµ£¬£¬£¬£¬£¬£¬×ÝÈ»´«¸ÐÆ÷ûÓÐÊܵ½ÎïÀíË𻵻òÆÆË𣬣¬£¬£¬£¬£¬Ò²»áÔì³ÉÒýÏߺÍ/»ò¼ÓÈÈÆ÷Ë𻵣¬£¬£¬£¬£¬£¬²¢ÒýÆð´«¸ÐÆ÷Ãô¸ÐÌØÕ÷Ͻµ¡£¡£¡£¡£¡£
2 ¾¡¿ÉÄÜ×èÖ¹µÄÇéÐÎ
2.1 Äý¾ÛË®
ÔÚÊÒÄÚʹÓÃÌõ¼þÏ£¬£¬£¬£¬£¬£¬ÉÔ΢Äý¾ÛË®»á¶Ô´«¸ÐÆ÷ÐÔÄܻᱬ·¢ÉÔ΢ӰÏì¡£¡£¡£¡£¡£¿ÉÊÇ£¬£¬£¬£¬£¬£¬ÈôÊÇË®Äý¾ÛÔÚÃô¸ÐÔª¼þÍâò²¢¼á³ÖÒ»¶Îʱ¼ä£¬£¬£¬£¬£¬£¬´«¸ÐÆ÷ÌØÕ÷Ôò»áϽµ¡£¡£¡£¡£¡£
2.2 ´¦ÓÚ¸ßŨ¶ÈÆøÌåÖÐ
ÎÞÂÛ´«¸ÐÆ÷ÊÇ·ñͨµç£¬£¬£¬£¬£¬£¬ÔÚ¸ßŨ¶ÈÆøÌåÖкã¾Ã°²ÅÅ£¬£¬£¬£¬£¬£¬¶¼»áÓ°Ïì´«¸ÐÆ÷ÌØÕ÷¡£¡£¡£¡£¡£
2.3 ºã¾ÃÖü´æ
´«¸ÐÆ÷ÔÚÇ·ºàµçÇéÐÎϳ¤Ê±¼äÖü´æ£¬£¬£¬£¬£¬£¬Æäµç×è»á±¬·¢¿ÉÄæÐÔÆ¯ÒÆ£¬£¬£¬£¬£¬£¬ÕâÖÖÆ¯ÒÆÓëÖü´æÇéÐÎÓйء£¡£¡£¡£¡£´«¸ÐÆ÷Ó¦Öü±£´æÓÐÇå½à¿ÕÆø²»º¬¹è½ºµÄÃÜ·â´üÖС£¡£¡£¡£¡£¾ºã¾ÃÇ·ºàµçÖü´æµÄ´«¸ÐÆ÷£¬£¬£¬£¬£¬£¬ÔÚʹÓÃǰÐèÒª³¤Ê±¼äͨµçÒÔʹÆäµÖ´ïÎȹ̡£¡£¡£¡£¡£
2.4 ºã¾Ã̻¶ÔÚ¼«¶ËÇéÐÎÖÐ
ÎÞÂÛ´«¸ÐÆ÷ÊÇ·ñͨµç£¬£¬£¬£¬£¬£¬³¤Ê±¼ä̻¶ÔÚ¼«¶ËÌõ¼þÏ£¬£¬£¬£¬£¬£¬Èç¸ßʪ¡¢¸ßΡ¢»ò¸ßÎÛȾµÈ¼«¶ËÌõ¼þ£¬£¬£¬£¬£¬£¬´«¸ÐÆ÷ÐÔÄܽ«Êܵ½ÑÏÖØÓ°Ïì¡£¡£¡£¡£¡£
2.5Õñ¶¯
ƵÈÔ¡¢Ì«¹ýÕñ¶¯»áµ¼ÖÂÃô¸ÐÔª¼þÒýÏß±¬·¢¹²Õñ¶ø¶ÏÁÑ¡£¡£¡£¡£¡£ÔÚÔËÊä;Öм°×é×°ÏßÉÏʹÓÃÆø¶¯¸Ä×¶/³¬Éù²¨º¸½Óʱ»ú±¬·¢ÕâÖÖÕñ¶¯¡£¡£¡£¡£¡£
2.6 ¹¥»÷
ÈôÊÇ´«¸ÐÆ÷Êܵ½Ç¿ÁÒ¹¥»÷»áµ¼ÖÂÆäÒýÏß¶ÏÏß¡£¡£¡£¡£¡£
2.7 ʹÓÃ
¶Ô´«¸ÐÆ÷À´ËµÊÖ¹¤º¸½ÓÊÇ×îÀíÏëµÄº¸½Ó·½·¨¡£¡£¡£¡£¡£Ê¹Óò¨·åº¸ÊÇÓ¦Öª×ãÒÔÏÂÌõ¼þ£º
2.7.1 Öúº¸¼Á£ºº¬ÂÈ×îÉÙµÄËÉÏãÖúº¸¼Á
2.7.2 ËÙÂÊ£º1-2Ã×/·ÖÖÓ
2.7.3 Ô¤ÈÈζȣº100¡À20¡æ
2.7.4 º¸½Óζȣº250¡À10¡æ
2.7.5 1´Îͨ¹ý²¨·åº¸»ú
Î¥·´ÒÔÉÏʹÓÃÌõ¼þ½«Ê¹´«¸ÐÆ÷ÌØÕ÷Ͻµ£¡