产品类型: 片式半导体
产品型号: GK4
声明: kb88平台传感保存更改产品设计、规格、参数的权力及资料信息的最终 诠释权。。。。。。欲相识更多关于kb88平台产品的信息,,,,,请致电kb88平台公司,,,,,索取更多详 细的手艺资料。。。。。。
产品概述:
GK4型气体传感器是甲烷气体传感器。。。。。。接纳多层厚膜制造工艺,,,,,在微型陶瓷基片上的两面划分形成加热器和金属氧化物半导体气敏层,,,,,用电极引线引出,,,,,经TO-5金属外壳封装而成。。。。。。当情形空气中有被检测气体保存时传感器电导率爆发转变,,,,,该气体的浓度越高,,,,,传感器的电导率就越高。。。。。。接纳简朴的电路即可将这种电导率的转变转换为与气体浓度对应的输出信号。。。。。。
特点:
l 低功耗 抗酒精 抗烟
l 稳固好、寿命长
l 本钱低
l 体积小
l 应用电路简朴
主要应用:
● 用于家庭、工厂、商业用所的可燃气体走漏监测
装置,,,,,防火/清静探测系统。。。。。。
● 可燃气体走漏报警器,,,,,气体检漏仪。。。。。。
规格:
产品型号 | GK4 | ||
产品类型 | 平面半导体气敏元件 | ||
标准封装 | TO-5 | ||
检测气体 | 甲烷、天燃气 | ||
检测浓度 | 300-10000ppm(甲烷、天燃气) | ||
标准 电路 条件 | 回路电压 | VC | ≤24V DC |
加热电压 | VH | 5.0V±0.1V ACorDC | |
负载电阻 | RL | 可调 | |
标准 测试 条件 下气 敏元 件特 性 | 加热电阻 | RH | 55Ω±10Ω(室温) |
加热功耗 | PH | ≤320mW | |
敏感体 电 阻 | RS | 1KΩ-20KΩ(in 5000ppm 甲烷) | |
迅速度 | S | Rs(in air)/Rs(5000ppm甲烷)≥5 | |
浓度斜率 | α | ≤0.8(R5000ppm/R3000ppm甲烷) | |
标准测试条件 | 温度、湿度 | 20℃±2℃;;;;;;65%±5%RH | |
标准测试电路 | Vc:5.0V±0.1V;;;;;; VH: 5.0V±0.1V | ||
预热时间 | 不少于48小时 | ||
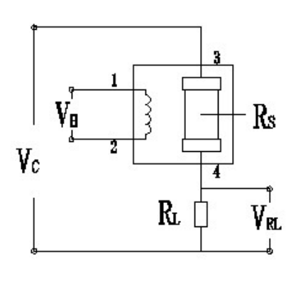
管脚界说:
平面型器件结构如图 所示。。。。。。在陶瓷片上稳固加热丝,,,,,两头毗连金电极引线,,,,,并在两电极之间涂覆半导体敏感质料。。。。。。加热质料可以将整个陶瓷片加热至 200-400℃,使传感器抵达所需的事情温度。。。。。。管芯外侧的对电极则能实时地丈量质料的电特征转变情形。。。。。。传感器的焊接引线对应图如图 所示,,,,,引线座上有一突出记号点,,,,,紧邻该标记的 1、2引线脚为加热丝引脚,,,,,3、4引脚为传感器信号引脚。。。。。。

基本测试电路:
传感器 1、2 管脚毗连加热电路,,,,,3、4 管脚毗连丈量电路;;;;;;在知足传感器电性能要求的 条件下,,,,,加热和丈量可共用统一个电源电路。。。。。。 注:请注重传感器上的突出标记,,,,,紧邻该标记的两只管脚为加热电极。。。。。。

结构图:


注重事项:
1 必需阻止的情形
1.1 袒露于有机硅蒸气中
若是传感器的外貌吸附了有机硅蒸气,,,,,传感器的敏感质料会被包裹住,,,,,抑制传感器的敏感性,,,,,并且不可恢复。。。。。。传感器要阻止袒露其在硅粘接剂、发胶、硅橡胶、腻子或其它含硅塑料添加剂可能保存的地方。。。。。。
1.2 高侵蚀性的情形
传感器袒露在高浓度的侵蚀性气体(如H2S,,,,,SOX,,,,,Cl2,,,,,HCl等)中,,,,,不但会引起加热质料及传感器引线的侵蚀或破损,,,,,并会引起敏感质料性能爆发不可逆的改变。。。。。。
1.3 碱、碱金属盐、卤素的污染
传感器被碱金属尤其是盐水喷雾污染后,,,,,及袒露在卤素如氟中也会引起性能劣变。。。。。。
1.4 接触到水
溅上水或浸到水中会造成敏感特征下降。。。。。。
1.5 结冰
水在敏感元件外貌结冰会导致敏感质料碎裂而损失敏感特征。。。。。。
1.6 施加电压过高
若是给敏感元件或加热器施加的电压高于划定值,,,,,纵然传感器没有受到物理损坏或破损,,,,,也会造成引线和/或加热器损坏,,,,,并引起传感器敏感特征下降。。。。。。
2 尽可能阻止的情形
2.1 凝聚水
在室内使用条件下,,,,,稍微凝聚水会对传感器性能会爆发稍微影响。。。。。。可是,,,,,若是水凝聚在敏感元件外貌并坚持一段时间,,,,,传感器特征则会下降。。。。。。
2.2 处于高浓度气体中
无论传感器是否通电,,,,,在高浓度气体中恒久安排,,,,,都会影响传感器特征。。。。。。
2.3 恒久贮存
传感器在欠亨电情形下长时间贮存,,,,,其电阻会爆发可逆性漂移,,,,,这种漂移与贮存情形有关。。。。。。传感器应贮保存有清洁空气不含硅胶的密封袋中。。。。。。经恒久欠亨电贮存的传感器,,,,,在使用前需要长时间通电以使其抵达稳固。。。。。。
2.4 恒久袒露在极端情形中
无论传感器是否通电,,,,,长时间袒露在极端条件下,,,,,如高湿、高温、或高污染等极端条件,,,,,传感器性能将受到严重影响。。。。。。
2.5振动
频仍、太过振动会导致敏感元件引线爆发共振而断裂。。。。。。在运输途中及组装线上使用气动改锥/超声波焊接时机爆发这种振动。。。。。。
2.6 攻击
若是传感器受到强烈攻击会导致其引线断线。。。。。。
2.7 使用
对传感器来说手工焊接是最理想的焊接方法。。。。。。使用波峰焊是应知足以下条件:
2.7.1 助焊剂:含氯最少的松香助焊剂
2.7.2 速率:1-2米/分钟
2.7.3 预热温度:100±20℃
2.7.4 焊接温度:250±10℃
2.7.5 1次通过波峰焊机
违反以上使用条件将使传感器特征下降!