产品类型: 片式半导体
产品型号: GK2
声明: kb88平台传感保存更改产品设计、规格、参数的权力及资料信息的最终 诠释权。。。。。。欲相识更多关于kb88平台产品的信息,,,,,请致电kb88平台公司,,,,,索取更多详 细的手艺资料。。。。。。
产品概述:
GK2 型一氧化碳检测用平面半导体气敏元件接纳先进的平面厚膜生产 工艺,,,,,由加热器以及微型 Al2O3陶瓷基片上形成的金属氧化物半导体质料构 成,,,,,用电极引线引出,,,,,封装在金属管座、管帽内。。。。。。接纳崎岖温循环检测方法检 测一氧化碳(1.5V),,,,,高温(5.0V)时洗濯低温时吸附的杂质气体。。。。。。传感器 的电导率随空气中一氧化碳气体浓度增添而增大,,,,,使用简朴的电路即可将电 导率的转变转换为与该气体浓度相对应的输出信号。。。。。。
特点:
? 低功耗
? 寿命长
? 本钱低
? 体积小
? 应用电路简朴
主要应用:
? 家用一氧化碳走漏检测
? 工业一氧化碳报警器
? 便携式一氧化碳检测
规格:

管脚界说:
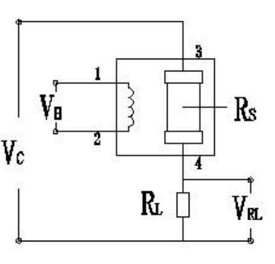
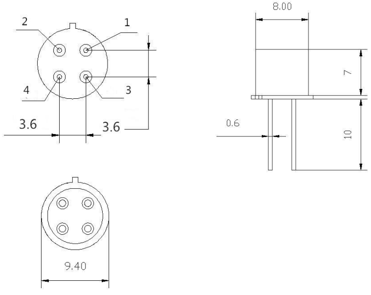
平面型器件结构如图 所示。。。。。。在陶瓷片上稳固加热丝,,,,,两头 毗连金电极引线,,,,,并在两电极之间涂覆半导体敏感质料。。。。。。加热 质料可以将整个陶瓷片加热至 200-400℃,使传感器抵达所需 的事情温度。。。。。。管芯外侧的对电极则能实时地丈量质料的电特征 转变情形。。。。。。传感器的焊接引线对应图如图 所示,,,,,引线座上有一 突出记号点,,,,,紧邻该标记的 1、2 引线脚为加热丝引脚,,,,,3、4 引脚为传感器信号引脚。。。。。。

基本电路:
传感器 1、2 管脚毗连加热电路,,,,,3、4 管 脚毗连丈量电路;;;;;在知足传感器电性能要求的 条件下,,,,,加热和丈量可共用统一个电源电路。。。。。。 注:请注重传感器上的突出标记,,,,,紧邻该标记的 两只管脚为加热电极。。。。。。

结构图:

1 必需阻止的情形
1.1 袒露于有机硅蒸气中 若是传感器的外貌吸附了有机硅蒸气,,,,,传感器的敏感质料会被包裹住,,,,,抑制传感器的敏 感性,,,,,并且不可恢复。。。。。。传感器要阻止袒露其在硅粘接剂、发胶、硅橡胶、腻子或其它含硅塑 料添加剂可能保存 的地方。。。。。。
1.2 高侵蚀性的情形 传感器袒露在高浓度的侵蚀性气体(如 H2S,,,,,SOX,,,,,Cl2,,,,,HCl 等)中,,,,,不但会引起加热材 料及传感器引线的侵蚀或破损,,,,,并会引起敏感质料性能爆发不可逆的改变。。。。。。
1.3 碱、碱金属盐、卤素的污染 传感器被碱金属尤其是盐水喷雾污染后,,,,,及袒露在卤素如氟中也会引起性能劣变。。。。。。
1.4 接触到水 溅上水或浸到水中会造成敏感特征下降。。。。。。
1.5 结冰 水在敏感元件外貌结冰会导致敏感质料碎裂而损失敏感特征。。。。。。
1.6 施加电压过高 若是给敏感元件或加热器施加的电压高于划定值,,,,,纵然传感器没有受到物理损坏或破 坏,,,,,也会造成引线和/或加热器损坏,,,,,并引起传感器敏感特征下降。。。。。。
2 尽可能阻止的情形
2.1 凝聚水 在室内使用条件下,,,,,稍微凝聚水会对传感器性能会爆发稍微影响。。。。。。可是,,,,,若是水凝聚在 敏感元件外貌并坚持一段时间,,,,,传感器特征则会下降。。。。。。
2.2 处于高浓度气体中 无论传感器是否通电,,,,,在高浓度气体中恒久安排,,,,,都会影响传感器特征。。。。。。
2.3 恒久贮存 传感器在欠亨电情形下长时间贮存,,,,,其电阻会爆发可逆性漂移,,,,,这种漂移与贮存情形有 关。。。。。。传感器应贮保存有清洁空气不含硅胶的密封袋中。。。。。。经恒久贮存的传感器,,,,,在使用前需要 长时间通电以使其抵达稳固。。。。。。
2.4 恒久袒露在极端情形中 6河南森斯科传感手艺有限公司 7 无论传感器是否通电,,,,,长时间袒露在极端条件下,,,,,如高湿、高温、或高污染等极端条件,,,,, 传感器性能将受到严重影响。。。。。。
2.5 振动 频仍、太过振动会导致敏感元件引线爆发共振而断裂。。。。。。在运输途中及组装线上使用气动 改锥/超 声波焊接时机爆发这种振动。。。。。。
2.6 攻击 若是传感器受到强烈攻击会导致其引线断线。。。。。。
2.7 使用 对传感器来说手工焊接是最理想的焊接方法。。。。。。使用波峰焊是应知足以下条件:
2.7.1 助焊剂:含氯最少的松香助焊剂
2.7.2 速率:1-2 米/分钟
2.7.3 预热温度:100±20℃
2.7.4 焊接温度:250±10℃ 2.7.5 1 次通过波峰焊机 违反以上使用条件将使传感器特征下降!