²úÆ·ÀàÐÍ£º Ƭʽ°ëµ¼Ìå
²úÆ·Ðͺţº GK1
ÉùÃ÷£º kb88ƽ̨´«¸Ð±£´æ¸ü¸Ä²úÆ·Éè¼Æ¡¢¹æ¸ñ¡¢²ÎÊýµÄȨÁ¦¼°×ÊÁÏÐÅÏ¢µÄ×îÖÕ Ú¹ÊÍȨ¡£¡£¡£¡£¡£ÓûÏàʶ¸ü¶à¹ØÓÚkb88ƽ̨²úÆ·µÄÐÅÏ¢£¬£¬£¬£¬£¬£¬£¬£¬ÇëÖµçkb88ƽ̨¹«Ë¾£¬£¬£¬£¬£¬£¬£¬£¬Ë÷È¡¸ü¶àÏê ϸµÄÊÖÒÕ×ÊÁÏ¡£¡£¡£¡£¡£

²úÆ·¸ÅÊö£º
GK1-VOCÐÍ¿ÕÆøÖÊÁ¿£¨Òì棩´«¸ÐÓþßÓÐѸËٶȸߡ¢±¾Ç®µÍ¡¢ÊÙÃü³¤¡¢¹¦ºÄµÍµÈÓŵ㣬£¬£¬£¬£¬£¬£¬£¬ÊÇÒ»¿î¹ãÆ×ÆøÌå´«¸ÐÆ÷£¬£¬£¬£¬£¬£¬£¬£¬¶ÔÐí¶à΢Á¿µÄ»¹ÔÆøÌå (»ò΢¶¾ÐÔÆøÌå·Ö×Ó ) ÓнϸߵÄѸËÙ¶È£¬£¬£¬£¬£¬£¬£¬£¬ÕâÐ©ÆøÌå·Ö×ÓÀàÐͰüÀ¨£¬£¬£¬£¬£¬£¬£¬£¬°±Æø¡¢ÇâÆø¡¢¾Æ¾«¡¢Ò»Ñõ»¯Ì¼¡¢¼×Íé¡¢±ûÍé¡¢¸ÊÍé¡¢±½ÒÒÏ©¡¢±û¶þ´¼¡¢·Ó¡¢¼×±½¡¢ÒÒ±½¡¢¶þ¼×±½¡¢¼×È©µÈÓлú»Ó·¢ÆøÌå¡¢ÏãÑÌ¡¢Ä¾ÁÏ¡¢Ö½ÕÅȼÉÕÑÌÎí¡¢ÓÍÑ̵ȡ£¡£¡£¡£¡£
GK1-VOCÐÍ¿ÕÆøÖÊÁ¿£¨Òì棩´«¸ÐÆ÷ÊôÓÚ½ðÊôÑõ»¯ÎïÆ½Ãæ°ëµ¼ÌåÐÍ´«¸ÐÆ÷£¬£¬£¬£¬£¬£¬£¬£¬ÓÉÄÉÃ×¼¶SnO 2·ÛÌå¼°ÊÊÁ¿´ß»¯¼Á²ôÔÓÉÕ½á¶ø³É¡£¡£¡£¡£¡£µ±¿ÕÆøÖзºÆð΢Á¿»¹ÔÐÔÎÛÈ¾ÆøÌåʱ£¬£¬£¬£¬£¬£¬£¬£¬´«¸ÐÆ÷µÄµçµ¼»áÉý¸ß¡£¡£¡£¡£¡£µçµ¼µÄת±äÁ¿ËæÎÛÈ¾ÆøÌåµÄŨ¶ÈÔö´ó¶øÔö´ó¡£¡£¡£¡£¡£Í¨¹ýµçµ¼×ª±äÁ¿µÄ¾Þϸ£¡£¡£¡£¡£¬£¬£¬£¬£¬£¬£¬£¬´«¸ÐÆ÷¿ÉÒÔ¸ÐÖª¿ÕÆøÊÜÎÛȾˮƽ¡£¡£¡£¡£¡£ÀýÈçµ±ÊÒÄÚ·ºÆð¶þÊÖÑÌÆø»ò»¯×±Æ·»Ó·¢µÄ·Ö×Óʱ£¬£¬£¬£¬£¬£¬£¬£¬´«¸ÐÆ÷¾ÍÄܱ¬·¢µçµ¼×ª±ä¡£¡£¡£¡£¡£Ê¹Óô«¸ÐÆ÷µÄÕâÖÖÃô¸ÐÌØÕ÷£¬£¬£¬£¬£¬£¬£¬£¬ÔÙͨ¹ý¼òÆÓµÄµ¥Æ¬»ú¿ØÖÆ£¬£¬£¬£¬£¬£¬£¬£¬¾ÍÄÜʵÏÖÖÇÄÜÆô¶¯ÅÅ·ç͸·ç×°±¸£¬£¬£¬£¬£¬£¬£¬£¬´Ó¶øµÖ´ïÖÇÄܾ»»¯ÊÒÄÚ¿ÕÆøµÄЧ¹û¡£¡£¡£¡£¡£
GK1-VOCÐÍ¿ÕÆøÖÊÁ¿£¨Òì棩´«¸ÐÓþßÓкÜÊÇÆÕ±éµÄÓ¦Óó¡ºÏ£¬£¬£¬£¬£¬£¬£¬£¬ÀýÈç¼ÒÍ¥¡¢Ò½Ôº¡¢·¹ /Âùݡ¢¾Û»áÊÒ¡¢»á¿ÍÊÒ¡¢Âùݡ¢Æû/»ð³µÕ¾ºò³µ´óÌü¡¢ÆåÅÆÊÒ¡¢»áËùµÈ¡£¡£¡£¡£¡£ÕâЩ³¡ºÏ»á¾³£·ºÆð¼×È©¡¢¶þÊÖÑÌ¡¢¾ÆÆøµÈ¿ÕÆøÎÛȾÎ£¬£¬£¬£¬£¬£¬£¬ÔÚÕâÖÖÇéÐÎÏÂÖÇÄÜ¿ÕÆø¾»»¯ÏµÍ³¾ÍÄÜ×Ô¶¯Æô¶¯¡£¡£¡£¡£¡£»£»£»£»£»£»¹¿ÉÒÔÆÕ±éÊÊÓÃÓÚÎïÁªÍø£¬£¬£¬£¬£¬£¬£¬£¬ÓÃÓÚ¸ÐÓ¦ÎïÁªÍøÄÚij¿Õ¼äµÄ¿ÕÆøÖÊÁ¿×´Ì¬£¬£¬£¬£¬£¬£¬£¬£¬²¢ÊµÏÖÎïÁªÍø¹æÄ£ÄÚµÄ¿ÕÆøÖÊÁ¿¼à¿Ø¡£¡£¡£¡£¡£
ÌØµã£º
l µÍ¹¦ºÄ
l ÊÙÃü³¤
l ±¾Ç®µÍ
l Ìå»ýС
l ¶ÔµÍŨ¶ÈÎÛÈ¾ÆøÌåѸËٶȸß
l Ó¦Óõç·¼òÆÓ
l ¸ßÒ»ÖÂÐÔ
Ö÷ÒªÓ¦Óãº
l ¿ÕÆøÖÊÁ¿²âÊÔÒǼ°Ä£×é
l ÊÒÄÚÅÅÆøÉÈ»»ÆøÉÈ¿ØÖÆÄ£¿£¿£¿£¿£¿é
l ¿ÕÆøÖÊÁ¿£¨Òì棩¼à²âÄ£¿£¿£¿£¿£¿é¼°ÖÇÄÜ
ÕÕÃ÷µÆÓÃÒìζ¼ì²âÄ£¿£¿£¿£¿£¿é
l ¿ÕÆø¾»»¯Æ÷¡¢µÈÀë×Ó¾»»¯Æ÷×Ô¶¯¿ØÖÆÄ£¿£¿£¿£¿£¿é
¹æ¸ñ£º
ÐͺŠ| GK1 | ||||
·â×°±ê×¼ | ½ðÊôTO-05 | ||||
¼ì²âÆøÌå | ÇâÆø¡¢¾Æ¾«¡¢ÑÌµÈ | ||||
¼ì²â¹æÄ£ | 0-200PPM£¨¾Æ¾«£©0-10PPM£¨¼×È©£© 0-10000PPM£¨×ÔÈ»Æø£©0-4000PPM£¨ÇâÆø£© | ||||
±ê×¼»ØÂ· | ¼ÓÈȵçѹ | VH | 5.0¡À0.2V DC/AC | ||
±ê×¼²âÊÔÌõ¼þÏÂÔª¼þÌØÕ÷ | »ØÂ·µçѹ | VC | 5.0¡À0.2V DC | Ps¨Q15mW | |
¸ºÔصç×è | RL | ¿Éµ÷ | Ps¨Q15mW | ||
¼ÓÈÈÆ¬µç×è | RH | 85¦¸¡À10¦¸£¨ÊÒΣ© | |||
¼ÓÈÈÆ¬µçÁ÷ | IH | 55mA¡À5mA | |||
¼ÓÈÈÆ¬¹¦ºÄ | PH | 260mW¡À10mW | |||
ѸËÙ¶Èת±ä | £¾0.5V | 10PPM£¨ÒÒ´¼£© | |||
±ê×¼²âÊÔÌõ¼þÏ | ζȡ¢Êª¶È | 20¡À2¡æ£¬£¬£¬£¬£¬£¬£¬£¬65¡À5£¥RH | |||
Ô¤ÈÈʱ¼ä | ²»ÉÙÓÚ24Сʱ | ||||
ÏìӦʱ¼ä | ¨Q30s | ||||
ÍѸ½Ê±¼ä | ¨Q60s | ||||
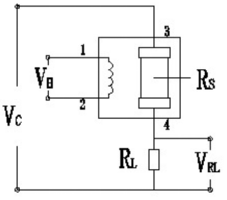
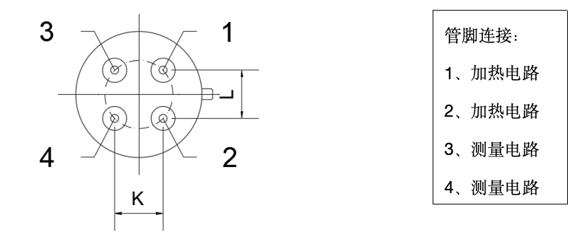
¹Ü½Å½ç˵£º
Æ½ÃæÐÍÆ÷¼þ½á¹¹Èçͼ Ëùʾ¡£¡£¡£¡£¡£ÔÚÌÕ´ÉÆ¬ÉÏÎȹ̼ÓÈÈË¿£¬£¬£¬£¬£¬£¬£¬£¬Á½Í·ÅþÁ¬½ðµç¼«ÒýÏߣ¬£¬£¬£¬£¬£¬£¬£¬²¢ÔÚÁ½µç¼«Ö®¼äÍ¿¸²°ëµ¼ÌåÃô¸ÐÖÊÁÏ¡£¡£¡£¡£¡£¼ÓÈÈÖÊÁÏ¿ÉÒÔ½«Õû¸öÌÕ´ÉÆ¬¼ÓÈÈÖÁ 200-400¡æ,ʹ´«¸ÐÆ÷µÖ´ïËùÐèµÄÊÂÇéζȡ£¡£¡£¡£¡£¹ÜоÍâ²àµÄ¶Ôµç¼«ÔòÄÜʵʱµØÕÉÁ¿ÖÊÁϵĵçÌØÕ÷ת±äÇéÐΡ£¡£¡£¡£¡£´«¸ÐÆ÷µÄº¸½ÓÒýÏß¶ÔӦͼÈçͼ Ëùʾ£¬£¬£¬£¬£¬£¬£¬£¬ÒýÏß×ùÉÏÓÐһͻ³ö¼ÇºÅµã£¬£¬£¬£¬£¬£¬£¬£¬½ôÁڸñê¼ÇµÄ 1¡¢2ÒýÏß½ÅΪ¼ÓÈÈË¿Òý½Å£¬£¬£¬£¬£¬£¬£¬£¬3¡¢4Òý½ÅΪ´«¸ÐÆ÷ÐźÅÒý½Å¡£¡£¡£¡£¡£

»ù±¾µç·£º
´«¸ÐÆ÷ 1¡¢2 ¹Ü½ÅÅþÁ¬¼ÓÈȵç·£¬£¬£¬£¬£¬£¬£¬£¬3¡¢4 ¹Ü½ÅÅþÁ¬ÕÉÁ¿µç·£»£»£»£»£»£»ÔÚÖª×ã´«¸ÐÆ÷µçÐÔÄÜÒªÇóµÄ Ìõ¼þÏ£¬£¬£¬£¬£¬£¬£¬£¬¼ÓÈȺÍÕÉÁ¿¿É¹²ÓÃͳһ¸öµçÔ´µç·¡£¡£¡£¡£¡£ ×¢£ºÇë×¢ÖØ´«¸ÐÆ÷ÉϵÄÍ»³ö±ê¼Ç£¬£¬£¬£¬£¬£¬£¬£¬½ôÁڸñê¼ÇµÄÁ½Ö»¹Ü½ÅΪ¼ÓÈȵ缫¡£¡£¡£¡£¡£

½á¹¹Í¼£º


×¢ÖØÊÂÏ
1 ±ØÐè×èÖ¹µÄÇéÐÎ
1.1 ̻¶ÓÚÓлú¹èÕôÆøÖÐ
ÈôÊÇ´«¸ÐÆ÷µÄÍâòÎü¸½ÁËÓлú¹èÕôÆø£¬£¬£¬£¬£¬£¬£¬£¬´«¸ÐÆ÷µÄÃô¸ÐÖÊÁϻᱻ°ü¹üס£¡£¡£¡£¡£¬£¬£¬£¬£¬£¬£¬£¬ÒÖÖÆ´«¸ÐÆ÷µÄÃô¸ÐÐÔ£¬£¬£¬£¬£¬£¬£¬£¬²¢ÇÒ²»¿É»Ö¸´¡£¡£¡£¡£¡£´«¸ÐÆ÷Òª×èֹ̻¶ÆäÔÚ¹èÕ³½Ó¼Á¡¢·¢½º¡¢¹èÏ𽺡¢Äå×Ó»òÆäËüº¬¹èËÜÁÏÌí¼Ó¼Á¿ÉÄܱ£´æµÄµØ·½¡£¡£¡£¡£¡£
1.2 ¸ßÇÖÊ´ÐÔµÄÇéÐÎ
´«¸ÐÆ÷̻¶ÔÚ¸ßŨ¶ÈµÄÇÖÊ´ÐÔÆøÌ壨ÈçH2S£¬£¬£¬£¬£¬£¬£¬£¬SOX£¬£¬£¬£¬£¬£¬£¬£¬Cl2£¬£¬£¬£¬£¬£¬£¬£¬HClµÈ£©ÖУ¬£¬£¬£¬£¬£¬£¬£¬²»µ«»áÒýÆð¼ÓÈÈÖÊÁϼ°´«¸ÐÆ÷ÒýÏßµÄÇÖÊ´»òÆÆË𣬣¬£¬£¬£¬£¬£¬£¬²¢»áÒýÆðÃô¸ÐÖÊÁÏÐÔÄܱ¬·¢²»¿ÉÄæµÄ¸Ä±ä¡£¡£¡£¡£¡£
1.3 ¼î¡¢¼î½ðÊôÑΡ¢Â±ËصÄÎÛȾ
´«¸ÐÆ÷±»¼î½ðÊôÓÈÆäÊÇÑÎË®ÅçÎíÎÛȾºó£¬£¬£¬£¬£¬£¬£¬£¬¼°Ì»Â¶ÔÚÂ±ËØÈç·úÖÐÒ²»áÒýÆðÐÔÄÜÁӱ䡣¡£¡£¡£¡£
1.4 ½Ó´¥µ½Ë®
½¦ÉÏË®»ò½þµ½Ë®ÖлáÔì³ÉÃô¸ÐÌØÕ÷Ͻµ¡£¡£¡£¡£¡£
1.5 ½á±ù
Ë®ÔÚÃô¸ÐÔª¼þÍâò½á±ù»áµ¼ÖÂÃô¸ÐÖÊÁÏËéÁѶøËðʧÃô¸ÐÌØÕ÷¡£¡£¡£¡£¡£
1.6 Ê©¼Óµçѹ¹ý¸ß
ÈôÊǸøÃô¸ÐÔª¼þ»ò¼ÓÈÈÆ÷Ê©¼ÓµÄµçѹ¸ßÓÚ»®¶¨Öµ£¬£¬£¬£¬£¬£¬£¬£¬×ÝÈ»´«¸ÐÆ÷ûÓÐÊܵ½ÎïÀíË𻵻òÆÆ
»µ£¬£¬£¬£¬£¬£¬£¬£¬Ò²»áÔì³ÉÒýÏߺÍ/»ò¼ÓÈÈÆ÷Ë𻵣¬£¬£¬£¬£¬£¬£¬£¬²¢ÒýÆð´«¸ÐÆ÷Ãô¸ÐÌØÕ÷Ͻµ¡£¡£¡£¡£¡£
2 ¾¡¿ÉÄÜ×èÖ¹µÄÇéÐÎ
2.1 Äý¾ÛË®
ÔÚÊÒÄÚʹÓÃÌõ¼þÏ£¬£¬£¬£¬£¬£¬£¬£¬ÉÔ΢Äý¾ÛË®»á¶Ô´«¸ÐÆ÷ÐÔÄܻᱬ·¢ÉÔ΢ӰÏì¡£¡£¡£¡£¡£¿ÉÊÇ£¬£¬£¬£¬£¬£¬£¬£¬ÈôÊÇË®Äý¾ÛÔÚÃô¸ÐÔª¼þÍâò²¢¼á³ÖÒ»¶Îʱ¼ä£¬£¬£¬£¬£¬£¬£¬£¬´«¸ÐÆ÷ÌØÕ÷Ôò»áϽµ¡£¡£¡£¡£¡£
2.2 ´¦ÓÚ¸ßŨ¶ÈÆøÌåÖÐ
ÎÞÂÛ´«¸ÐÆ÷ÊÇ·ñͨµç£¬£¬£¬£¬£¬£¬£¬£¬ÔÚ¸ßŨ¶ÈÆøÌåÖкã¾Ã°²ÅÅ£¬£¬£¬£¬£¬£¬£¬£¬¶¼»áÓ°Ïì´«¸ÐÆ÷ÌØÕ÷¡£¡£¡£¡£¡£
2.3 ºã¾ÃÖü´æ
´«¸ÐÆ÷ÔÚÇ·ºàµçÇéÐÎϳ¤Ê±¼äÖü´æ£¬£¬£¬£¬£¬£¬£¬£¬Æäµç×è»á±¬·¢¿ÉÄæÐÔÆ¯ÒÆ£¬£¬£¬£¬£¬£¬£¬£¬ÕâÖÖÆ¯ÒÆÓëÖü´æÇéÐÎÓйء£¡£¡£¡£¡£´«¸ÐÆ÷Ó¦Öü±£´æÓÐÇå½à¿ÕÆø²»º¬¹è½ºµÄÃÜ·â´üÖС£¡£¡£¡£¡£¾ºã¾ÃÖü´æµÄ´«¸ÐÆ÷£¬£¬£¬£¬£¬£¬£¬£¬ÔÚʹÓÃǰÐèÒª³¤Ê±¼äͨµçÒÔʹÆäµÖ´ïÎȹ̡£¡£¡£¡£¡£
2.4 ºã¾Ã̻¶ÔÚ¼«¶ËÇéÐÎÖÐ
ÎÞÂÛ´«¸ÐÆ÷ÊÇ·ñͨµç£¬£¬£¬£¬£¬£¬£¬£¬³¤Ê±¼ä̻¶ÔÚ¼«¶ËÌõ¼þÏ£¬£¬£¬£¬£¬£¬£¬£¬Èç¸ßʪ¡¢¸ßΡ¢»ò¸ßÎÛȾµÈ¼«¶ËÌõ¼þ£¬£¬£¬£¬£¬£¬£¬£¬´«¸ÐÆ÷ÐÔÄܽ«Êܵ½ÑÏÖØÓ°Ïì¡£¡£¡£¡£¡£
2.5Õñ¶¯
ƵÈÔ¡¢Ì«¹ýÕñ¶¯»áµ¼ÖÂÃô¸ÐÔª¼þÒýÏß±¬·¢¹²Õñ¶ø¶ÏÁÑ¡£¡£¡£¡£¡£ÔÚÔËÊä;Öм°×é×°ÏßÉÏʹÓÃÆø¶¯¸Ä×¶/³¬Éù²¨º¸½Óʱ»ú±¬·¢ÕâÖÖÕñ¶¯¡£¡£¡£¡£¡£
2.6 ¹¥»÷
ÈôÊÇ´«¸ÐÆ÷Êܵ½Ç¿ÁÒ¹¥»÷»áµ¼ÖÂÆäÒýÏß¶ÏÏß¡£¡£¡£¡£¡£
2.7 ʹÓÃ
¶Ô´«¸ÐÆ÷À´ËµÊÖ¹¤º¸½ÓÊÇ×îÀíÏëµÄº¸½Ó·½·¨¡£¡£¡£¡£¡£Ê¹Óò¨·åº¸ÊÇÓ¦Öª×ãÒÔÏÂÌõ¼þ£º
2.7.1 Öúº¸¼Á£ºº¬ÂÈ×îÉÙµÄËÉÏãÖúº¸¼Á
2.7.2 ËÙÂÊ£º1-2Ã×/·ÖÖÓ
2.7.3 Ô¤ÈÈζȣº100¡À20¡æ
2.7.4 º¸½Óζȣº250¡À10¡æ
2.7.5 1´Îͨ¹ý²¨·åº¸»ú
Î¥·´ÒÔÉÏʹÓÃÌõ¼þ½«Ê¹´«¸ÐÆ÷ÌØÕ÷Ͻµ£¡