²úÆ·ÀàÐÍ£º ¹Üʽ°ëµ¼Ìå
²úÆ·Ðͺţº GK-Q4
ÉùÃ÷£º kb88ƽ̨´«¸Ð±£´æ¸ü¸Ä²úÆ·Éè¼Æ¡¢¹æ¸ñ¡¢²ÎÊýµÄȨÁ¦¼°×ÊÁÏÐÅÏ¢µÄ×îÖÕ Ú¹ÊÍȨ¡£¡£¡£¡£¡£¡£ÓûÏàʶ¸ü¶à¹ØÓÚkb88ƽ̨²úÆ·µÄÐÅÏ¢£¬£¬£¬£¬£¬ÇëÖµçkb88ƽ̨¹«Ë¾£¬£¬£¬£¬£¬Ë÷È¡¸ü¶àÏê ϸµÄÊÖÒÕ×ÊÁÏ¡£¡£¡£¡£¡£¡£

GK-Q4ÐÍÆøÌå´«¸ÐÆ÷ÊǼ×Í鯸Ìå´«¸ÐÆ÷¡£¡£¡£¡£¡£¡£´«¸ÐÆ÷ËùʹÓÃµÄÆøÃôÖÊÁÏÊÇÔÚÇå½à¿ÕÆøÖе絼Âʽϵ͵ĶþÑõ»¯Îý(SnO2)¡£¡£¡£¡£¡£¡£µ±´«¸ÐÆ÷Ëù´¦ÇéÐÎÖб£´æ¿ÉÈ¼ÆøÌåʱ£¬£¬£¬£¬£¬´«¸ÐÆ÷µÄµçµ¼ÂÊËæ¿ÕÆøÖпÉÈ¼ÆøÌåŨ¶ÈµÄÔöÌí¶øÔö´ó¡£¡£¡£¡£¡£¡£Ê¹ÓüòÆÓµÄµç·¼´¿É½«µçµ¼ÂʵÄת±äת»»ÎªÓë¸ÃÆøÌåŨ¶ÈÏà¶ÔÓ¦µÄÊä³öÐźš£¡£¡£¡£¡£¡£
²úÆ·ÐͺŠ| GK-Q4 | ||
²úÆ·ÀàÐÍ | Æ½Ãæ°ëµ¼Ì寸ÃôÔª¼þ | ||
±ê×¼·â×° | ½ºÄ¾¡¢½ðÊôÕÖ | ||
¼ì²âÆøÌå | ¼×Íé¡¢ÌìÈ¼Æø | ||
¼ì²âŨ¶È | 300-10000ppm(¼×Íé¡¢ÌìÈ¼Æø) | ||
±ê×¼ µç· Ìõ¼þ | »ØÂ·µçѹ | VC | ¡Ü24V DC |
¼ÓÈȵçѹ | VH | 5.0V¡À0.1V ACorDC | |
¸ºÔصç×è | RL | ¿Éµ÷ | |
±ê×¼ ²âÊÔ Ìõ¼þ ÏÂÆø ÃôÔª ¼þÌØ ÐÔ | ¼ÓÈȵç×è | RH | 25¦¸¡À5¦¸£¨ÊÒΣ© |
¼ÓÈȹ¦ºÄ | PH | ¡Ü950mW | |
Êä³öµçѹ | Vs | Vs 2.5V¡«4.0V (in 5000ppm CH4£© | |
Ãô¸ÐÌå µç ×è | RS | 1K¦¸-20K¦¸(in 5000ppm ¼×Íé) | |
ѸËÙ¶È | S | Rs(in air)/Rs(5000ppm¼×Íé)¡Ý5 | |
Ũ¶ÈбÂÊ | ¦Á | ¡Ü0.8(R5000ppm/R3000ppm¼×Íé) | |
±ê×¼²âÊÔÌõ¼þ | ζȡ¢Êª¶È | 20¡æ¡À2¡æ£»£»£»£»£»£»£»65%¡À5%RH | |
±ê×¼²âÊÔµç· | Vc:5.0V¡À0.1V£»£»£»£»£»£»£» VH: 5.0V¡À0.1V | ||
Ô¤ÈÈʱ¼ä | ²»ÉÙÓÚ48Сʱ | ||
ÌØµã£º
l ¿¹¾Æ¾« ¿¹ÑÌ
l Îȹ̺á¢ÊÙÃü³¤
l ±¾Ç®µÍ
l Ìå»ýС
l Ó¦Óõç·¼òÆÓ
Ö÷ÒªÓ¦Óãº
¡ñ ÓÃÓÚ¼ÒÍ¥¡¢¹¤³§¡¢ÉÌÒµÓÃËùµÄ¿ÉÈ¼ÆøÌå×ß©¼à²â
×°Ö㬣¬£¬£¬£¬·À»ð/Ç徲̽²âϵͳ¡£¡£¡£¡£¡£¡£
¡ñ ¿ÉÈ¼ÆøÌå×ß©±¨¾¯Æ÷£¬£¬£¬£¬£¬ÆøÌå¼ì©ÒÇ¡£¡£¡£¡£¡£¡£
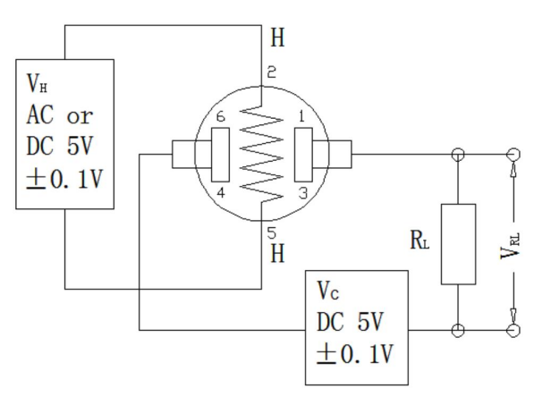
¹Ü½Å½ç˵£º

ͼÖÐδ±ê×¢³ß´çµ¥Î»£ºmm
δ±ê×¢³ß´ç¹«²î£º¡À0.1mm
»ù±¾²âÊÔµç·
˵Ã÷£ºÉÏͼΪ´«¸ÐÆ÷µÄ»ù±¾²âÊԵ緡£¡£¡£¡£¡£¡£¸Ã´«¸ÐÆ÷ÐèҪʩ¼Ó 2¸öµçѹ£º¼ÓÈÈÆ÷µçѹ£¨VHºÍ²âÊÔµçѹ£¨VC£©¡£¡£¡£¡£¡£¡£ÆäÖÐ VHÓÃÓÚΪ´«¸ÐÆ÷Ìá¹©ÌØ¶¨µÄÊÂÇéζÈ, ¿ÉÓÃÖ±Á÷µçÔ´»ò½»Á÷µçÔ´¡£¡£¡£¡£¡£¡£ VRLÊÇ´«¸ÐÆ÷´®ÁªµÄ¸ºÔصç×裨RL£©Éϵĵçѹ¡£¡£¡£¡£¡£¡£VCÊÇΪ¸ºÔصç×è RLÌṩ²âÊԵĵçѹ£¬£¬£¬£¬£¬ÐëÓÃÖ±Á÷µçÔ´¡£¡£¡£¡£¡£¡£

×¢ÖØÊÂÏ
1 ±ØÐè×èÖ¹µÄÇéÐÎ
1.1 ̻¶ÓÚÓлú¹èÕôÆøÖÐ
ÈôÊÇ´«¸ÐÆ÷µÄÍâòÎü¸½ÁËÓлú¹èÕôÆø£¬£¬£¬£¬£¬´«¸ÐÆ÷µÄÃô¸ÐÖÊÁϻᱻ°ü¹üס£¡£¡£¡£¡£¡£¬£¬£¬£¬£¬ÒÖÖÆ´«¸ÐÆ÷µÄÃô¸ÐÐÔ£¬£¬£¬£¬£¬²¢ÇÒ²»¿É»Ö¸´¡£¡£¡£¡£¡£¡£´«¸ÐÆ÷Òª×èֹ̻¶ÆäÔÚ¹èÕ³½Ó¼Á¡¢·¢½º¡¢¹èÏ𽺡¢Äå×Ó»òÆäËüº¬¹èËÜÁÏÌí¼Ó¼Á¿ÉÄܱ£´æµÄµØ·½¡£¡£¡£¡£¡£¡£
1.2 ¸ßÇÖÊ´ÐÔµÄÇéÐÎ
´«¸ÐÆ÷̻¶ÔÚ¸ßŨ¶ÈµÄÇÖÊ´ÐÔÆøÌ壨ÈçH2S£¬£¬£¬£¬£¬SOX£¬£¬£¬£¬£¬Cl2£¬£¬£¬£¬£¬HClµÈ£©ÖУ¬£¬£¬£¬£¬²»µ«»áÒýÆð¼ÓÈÈÖÊÁϼ°´«¸ÐÆ÷ÒýÏßµÄÇÖÊ´»òÆÆË𣬣¬£¬£¬£¬²¢»áÒýÆðÃô¸ÐÖÊÁÏÐÔÄܱ¬·¢²»¿ÉÄæµÄ¸Ä±ä¡£¡£¡£¡£¡£¡£
1.3 ¼î¡¢¼î½ðÊôÑΡ¢Â±ËصÄÎÛȾ
´«¸ÐÆ÷±»¼î½ðÊôÓÈÆäÊÇÑÎË®ÅçÎíÎÛȾºó£¬£¬£¬£¬£¬¼°Ì»Â¶ÔÚÂ±ËØÈç·úÖÐÒ²»áÒýÆðÐÔÄÜÁӱ䡣¡£¡£¡£¡£¡£
1.4 ½Ó´¥µ½Ë®
½¦ÉÏË®»ò½þµ½Ë®ÖлáÔì³ÉÃô¸ÐÌØÕ÷Ͻµ¡£¡£¡£¡£¡£¡£
1.5 ½á±ù
Ë®ÔÚÃô¸ÐÔª¼þÍâò½á±ù»áµ¼ÖÂÃô¸ÐÖÊÁÏËéÁѶøËðʧÃô¸ÐÌØÕ÷¡£¡£¡£¡£¡£¡£
1.6 Ê©¼Óµçѹ¹ý¸ß
ÈôÊǸøÃô¸ÐÔª¼þ»ò¼ÓÈÈÆ÷Ê©¼ÓµÄµçѹ¸ßÓÚ»®¶¨Öµ£¬£¬£¬£¬£¬×ÝÈ»´«¸ÐÆ÷ûÓÐÊܵ½ÎïÀíË𻵻òÆÆË𣬣¬£¬£¬£¬Ò²»áÔì³ÉÒýÏߺÍ/»ò¼ÓÈÈÆ÷Ë𻵣¬£¬£¬£¬£¬²¢ÒýÆð´«¸ÐÆ÷Ãô¸ÐÌØÕ÷Ͻµ¡£¡£¡£¡£¡£¡£
2 ¾¡¿ÉÄÜ×èÖ¹µÄÇéÐÎ
2.1 Äý¾ÛË®
ÔÚÊÒÄÚʹÓÃÌõ¼þÏ£¬£¬£¬£¬£¬ÉÔ΢Äý¾ÛË®»á¶Ô´«¸ÐÆ÷ÐÔÄܻᱬ·¢ÉÔ΢ӰÏì¡£¡£¡£¡£¡£¡£¿ÉÊÇ£¬£¬£¬£¬£¬ÈôÊÇË®Äý¾ÛÔÚÃô¸ÐÔª¼þÍâò²¢¼á³ÖÒ»¶Îʱ¼ä£¬£¬£¬£¬£¬´«¸ÐÆ÷ÌØÕ÷Ôò»áϽµ¡£¡£¡£¡£¡£¡£
2.2 ´¦ÓÚ¸ßŨ¶ÈÆøÌåÖÐ
ÎÞÂÛ´«¸ÐÆ÷ÊÇ·ñͨµç£¬£¬£¬£¬£¬ÔÚ¸ßŨ¶ÈÆøÌåÖкã¾Ã°²ÅÅ£¬£¬£¬£¬£¬¶¼»áÓ°Ïì´«¸ÐÆ÷ÌØÕ÷¡£¡£¡£¡£¡£¡£
2.3 ºã¾ÃÖü´æ
´«¸ÐÆ÷ÔÚÇ·ºàµçÇéÐÎϳ¤Ê±¼äÖü´æ£¬£¬£¬£¬£¬Æäµç×è»á±¬·¢¿ÉÄæÐÔÆ¯ÒÆ£¬£¬£¬£¬£¬ÕâÖÖÆ¯ÒÆÓëÖü´æÇéÐÎÓйء£¡£¡£¡£¡£¡£´«¸ÐÆ÷Ó¦Öü±£´æÓÐÇå½à¿ÕÆø²»º¬¹è½ºµÄÃÜ·â´üÖС£¡£¡£¡£¡£¡£¾ºã¾ÃÇ·ºàµçÖü´æµÄ´«¸ÐÆ÷£¬£¬£¬£¬£¬ÔÚʹÓÃǰÐèÒª³¤Ê±¼äͨµçÒÔʹÆäµÖ´ïÎȹ̡£¡£¡£¡£¡£¡£
2.4 ºã¾Ã̻¶ÔÚ¼«¶ËÇéÐÎÖÐ
ÎÞÂÛ´«¸ÐÆ÷ÊÇ·ñͨµç£¬£¬£¬£¬£¬³¤Ê±¼ä̻¶ÔÚ¼«¶ËÌõ¼þÏ£¬£¬£¬£¬£¬Èç¸ßʪ¡¢¸ßΡ¢»ò¸ßÎÛȾµÈ¼«¶ËÌõ¼þ£¬£¬£¬£¬£¬´«¸ÐÆ÷ÐÔÄܽ«Êܵ½ÑÏÖØÓ°Ïì¡£¡£¡£¡£¡£¡£
2.5Õñ¶¯
ƵÈÔ¡¢Ì«¹ýÕñ¶¯»áµ¼ÖÂÃô¸ÐÔª¼þÒýÏß±¬·¢¹²Õñ¶ø¶ÏÁÑ¡£¡£¡£¡£¡£¡£ÔÚÔËÊä;Öм°×é×°ÏßÉÏʹÓÃÆø¶¯¸Ä×¶/³¬Éù²¨º¸½Óʱ»ú±¬·¢ÕâÖÖÕñ¶¯¡£¡£¡£¡£¡£¡£
2.6 ¹¥»÷
ÈôÊÇ´«¸ÐÆ÷Êܵ½Ç¿ÁÒ¹¥»÷»áµ¼ÖÂÆäÒýÏß¶ÏÏß¡£¡£¡£¡£¡£¡£
2.7 ʹÓÃ
¶Ô´«¸ÐÆ÷À´ËµÊÖ¹¤º¸½ÓÊÇ×îÀíÏëµÄº¸½Ó·½·¨¡£¡£¡£¡£¡£¡£Ê¹Óò¨·åº¸ÊÇÓ¦Öª×ãÒÔÏÂÌõ¼þ£º
2.7.1 Öúº¸¼Á£ºº¬ÂÈ×îÉÙµÄËÉÏãÖúº¸¼Á
2.7.2 ËÙÂÊ£º1-2Ã×/·ÖÖÓ
2.7.3 Ô¤ÈÈζȣº100¡À20¡æ
2.7.4 º¸½Óζȣº250¡À10¡æ
2.7.5 1´Îͨ¹ý²¨·åº¸»ú
Î¥·´ÒÔÉÏʹÓÃÌõ¼þ½«Ê¹´«¸ÐÆ÷ÌØÕ÷Ͻµ£¡